
|
見出番号 |
部品番号 |
部品名 |
数量 |
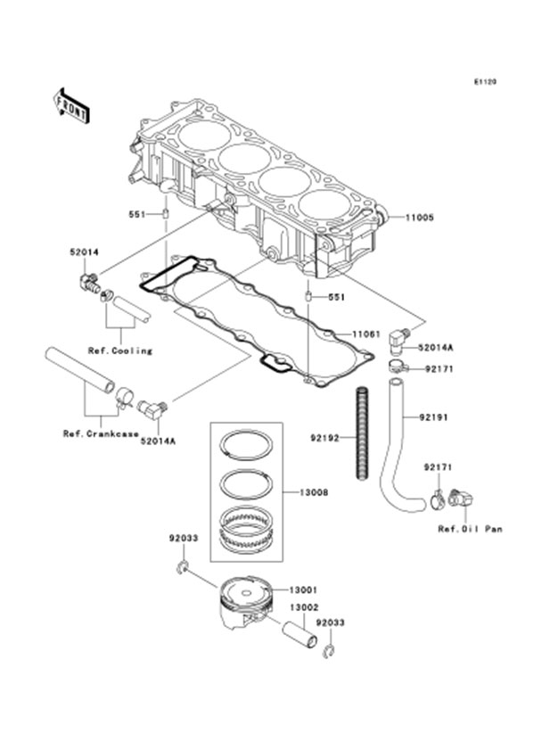
11005 |
11005-3761 |
シリンダ(エンジン)
|
|
11061 |
11061-3708 |
ガスケツト,シリンダ ベ-ス
|
|
13001 |
13001-3737 |
ピストン(エンジン)
|
|
13002 |
13002-3709 |
ピン(ピストン)
|
|
13008 |
13008-1196 |
リングセツト(ピストン)
|
|
52014 |
52014-3711 |
エルボ
|
|
52014A |
52014-3717 |
エルボ
|
|
92033 |
92033-1188 |
リング(スナツプ)
|
|
92171 |
92171-3710 |
**Web参照**クランプ,チユ-ブ
|
|
92191 |
92191-3983 |
チユ-ブ,ブリ-ザ
|
|
92192 |
92192-3702 |
**Web参照**チユ-ブ,19.5X23.8X170
|
|
551 |
551R0812 |
ノツク ピン
|
|
|