純正パーツカタログよりご注文又はお見積
KAWASAKI JETSKI  2005年式  STX-15F JT1500-A2 > シリンダ/ピストン

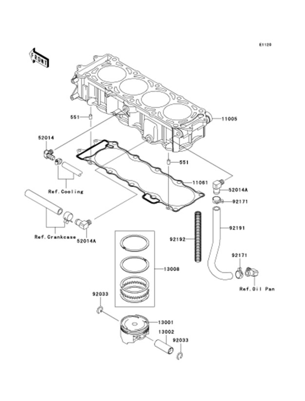
見出番号

部品番号

部品名

数量

11005

11005-3761

シリンダ(エンジン)

11061

11061-3708

ガスケツト,シリンダ ベ-ス

13001

13001-3737

ピストン(エンジン)

13002

13002-3709

ピン(ピストン)

13008

13008-1196

リングセツト(ピストン)

52014

52014-3711

エルボ

52014A

52014-3717

エルボ

92033

92033-1188

リング(スナツプ)

92171

92171-3710

**Web参照**クランプ,チユ-ブ

92191

92191-3983

チユ-ブ,ブリ-ザ

92192

92192-3702

**Web参照**チユ-ブ,19.5X23.8X170

551

551R0812

ノツク ピン