純正パーツカタログよりご注文又はお見積
KAWASAKI JETSKI  1999年式  1100STX-LIMITED JT1100-D1 > クランクシャフト/ピストン

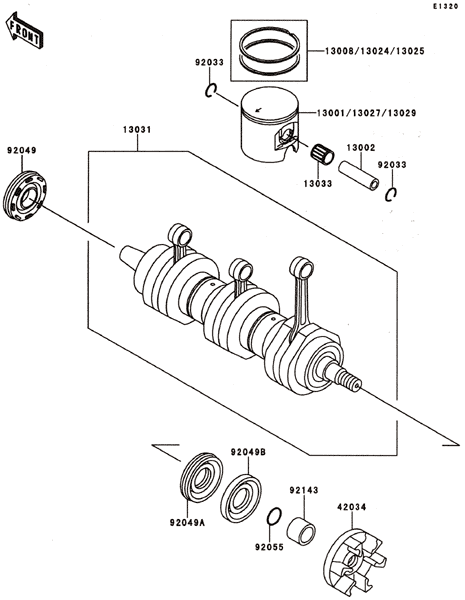
見出番号

部品番号

部品名

数量

13001

13001-3725

ピストン(エンジン)

13002

13002-3706

ピン(ピストン)

13008

13008-3708

リングセツト(ピストン)

13024

13024-3706

リングセツト(ピストンエルエル),O/S 1.

13025

13025-3706

リングセツト(ピストンエル),O/S 0.50

13027

13027-3715

ピストン(エンジンエルエル),O/S 1.00

13029

13029-3715

ピストン(エンジンエル),O/S 0.50

13031

13031-3731

クランクシヤフトコンプ

13033

13033-3703

ベアリング(スモ-ルエンド)

42034

42034-3709

カツプリング

92033

92033-3721

リング(スナツプ)

92049

92049-3713

シ-ル(オイル),FWJ7307210ZS

92049A

92049-3715

シ-ル(オイル)

92049B

92049-3716

シ-ル(オイル)

92055

92055-3740

リング(0),20.8X2.4

92143

92143-3745

カラ-