
|
見出番号 |
部品番号 |
部品名 |
数量 |
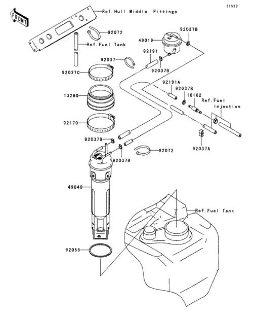
13280 |
13280-3735 |
**Web参照**ホルダ
|
|
16162 |
16162-3701 |
レギユレ-タ (フユ-エル)
|
|
49019 |
49019-3716 |
フイルタ(フユ-エル)
|
|
49040A |
49040-3713 |
ポンプ(フユ-エル)
|
|
92037 |
92037-1173 |
クランプ,スパ-ク プラグ キヤツプ
|
|
92037A |
92037-1603 |
クランプ
|
|
92037B |
92037-3726 |
クランプ
|
|
92037C |
92171-3716 |
クランプ
|
|
92055 |
92161-3759 |
ダンパ,77.7X85.7X3.0
|
|
92072 |
92072-3778 |
品番変更→92072-1239
|
|
92170 |
92170-3760 |
クランプ
|
|
92191 |
92191-3869 |
**生産打切品**チユ-ブ,7.5X13.5X460
|
|
92191A |
92191-3872 |
**生産打切品**チユ-ブ,5.8X10.8X410,RETURN
|
|
|