
|
見出番号 |
部品番号 |
部品名 |
数量 |
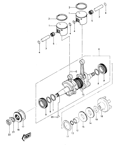
1 |
13001-2094 |
**生産打切品**ピストン(エンジン)
|
|
1 |
13029-2077 |
**生産打切品**ピストン(エンジンエル)
|
|
2 |
13003-2129 |
**生産打切品**リング(ピストントツプ)
|
|
2 |
13003-2130 |
**生産打切品**リング(ピストントツプ)
|
|
3 |
13002-504 |
**生産打切品**ピン(ピストン)
|
|
4 |
92036-507 |
**生産打切品**サ-クリツプ
|
|
5 |
13033-3005 |
**生産打切品**ベアリング-スモ-ル エンド
|
|
6 |
13031-3715 |
**生産打切品**クランクシヤフトコンプ
|
|
7 |
92025-532 |
**生産打切品**シム,T=1.0MM
|
|
8 |
92025-513 |
**生産打切品**シム
|
|
8 |
92025-518 |
**生産打切品**シム
|
|
8 |
92025-523 |
**生産打切品**シム
|
|
8 |
92025-527 |
**生産打切品**シム
|
|
8 |
92025-530 |
**生産打切品**シム
|
|
8 |
92025-533 |
**生産打切品**シム
|
|
9 |
92045-3010 |
**生産打切品**ベアリング(ボ-ル)
|
|
10 |
92055-504 |
**生産打切品**リング(0)
|
|
11 |
551A0410 |
ノツク ピン
|
|
12 |
42036-3007 |
**生産打切品**スリ-ブ
|
|
13 |
92055-3009 |
**生産打切品**リング(0)
|
|
14 |
92049-3005 |
**生産打切品**シ-ル(オイル)
|
|
15 |
92049-3006 |
**生産打切品**シ-ル(オイル)
|
|
16 |
92050-507 |
**生産打切品**オイル シ-ル
|
|
17 |
92022-3021 |
**生産打切品**ワツシヤ
|
|
18 |
42034-3706 |
**生産打切品**カツプリング
|
|
19 |
92022-3028 |
**生産打切品**ワツシヤ
|
|
20 |
510A5200 |
ハンゲツキ-
|
|
21 |
92022-569 |
**生産打切品**ワツシヤ
|
|
22 |
92015-535 |
**生産打切品**ナツト
|
|
|