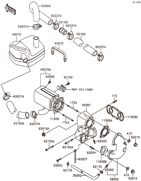
純正パーツカタログよりご注文又はお見積
KAWASAKI JETSKI  1992年式  550SX JS550-C2  > マフラ

見出番号

部品番号

部品名

数量

11009

11009-3776

**生産打切品**【販売終了】ガスケツト,マフラ

11009A

11009-3777

**生産打切品**ガスケツト,エキゾ-スト パイプ

11009B

11009-3778

**生産打切品**【販売終了】ガスケツト,エキゾ-スト

11009C

11009-3779

**生産打切品**ガスケツト,エキゾ-スト マニホ-ルド

32150

32150-3784

**生産打切品**パイプ

39062

39062-3701

**生産打切品**ホ-ス(ク-リング)

49062

49062-3704

**生産打切品**パイプコンプ(エキゾ-スト)

49070A

49070-3715

**生産打切品**マフラコンプ

59081

59081-3707

**生産打切品**マニホ-ルド(エキゾ-スト)

92002

92002-3726

ボルト,6X30

92004

92004-3022

**生産打切品**スタツド,8X27.5

92005

92005-3712

フイテイング,ホ-ス

92015

92015-1371

ナツト,キヤツプ,8MM

92015A

92015-3767

ナツト,6MM

92037

92037-3736

クランプ,L=100

92037A

92037-509

クランプ

92059

92059-3722

**生産打切品**チユ-ブ,エキゾ-スト

92066

92066-3001

プラグ

92072

92072-511

**生産打切品**バンド

92150

92150-3722

ボルト,8X16

92150A

92150-3776

**生産打切品**ボルト,6X73

92170

92170-3729

**Web参照**クランプ

92190

92190-3718

**生産打切品**チユ-ブ

92190A

92190-3921

**生産打切品**チユ-ブ,39X51X455

172

172R0625

**生産打切品**ウエコミ ボルト

172A

172R08120

**生産打切品**ウエコミ ボルト

410

410S0800

ヒラザガネ(コガタマル)