純正パーツカタログよりご注文又はお見積
KAWASAKI JETSKI  1992年式  550SX JS550-C2  > イグニッションシステム

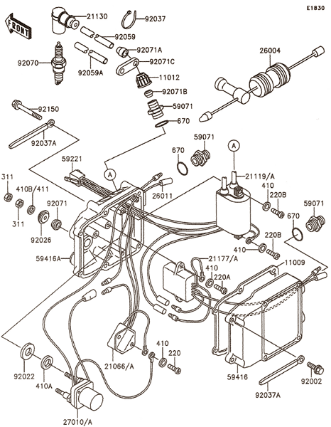
見出番号

部品番号

部品名

数量

11009

11009-3781

**生産打切品**ガスケツト,エレクトリツク ケ-ス

11012

11012-3005

キヤツプ

21066

21066-3003

**生産打切品**レギユレ-タ(ボルテ-ジ)

21119

21119-3717

**生産打切品**イグナイタ

21130

21130-3706

キヤツプ(スパ-クプラグ)

21177

21177-3702

**生産打切品**コントロ-ラ

26011

26011-3003

**生産打切品**ワイヤ(リ-ド)

27010

27010-3007

**生産打切品**スイツチ

59071

59071-3001

ジヨイント

59221

59221-505

**生産打切品**コネクタ(コ-ド)

59416

59416-3003-YR

**生産打切品**ケ-ス(エレクトリツク)

59416A

59416-3004-YR

**生産打切品**ケ-ス(エレクトリツク)

92002

92002-3714

ボルト,6X25

92022

92022-3035

ワツシヤ

92026

92026-3703

スペ-サ

92037

92037-1173

クランプ,スパ-ク プラグ キヤツプ

92037A

92037-3736

クランプ,L=100

92059

92059-2153

**生産打切品**チユ-ブ,7.5X10X250

92059A

92059-2154

**生産打切品**チユ-ブ,7.5X10X130

92070

92070-3702

プラグ(スパ-ク),BR8ES(NGK),ソ

92071

92071-3004

グロメツト

92071A

92071-517

**生産打切品**グロメツト

92071B

92071-527

グロメツト

92071C

92071-529

**生産打切品**GROMMET,PROTECTOR

92150

92150-3761

**生産打切品**ボルト

220

220AA0612

ナベコネジ(+ジアナ),6X12

220A

220B0616

品番変更→220AA0616

220B

220AA0620

ナベコネジ(+ジアナ),6X20

311

311R0600

ロツカク ナツト,6MM

410

410B0600

品番変更→410AA0600

410A

410AA1000

ヒラザガネ(コガタマル),10MM

411

411S0600

ヒラザガネ(ミガキマル),6MM

670

670B2016

O リング(ウンドウヨウ),16MM