純正パーツカタログよりご注文又はお見積
KAWASAKI JETSKI  2004年式  1200STX-R JT1200-C1 > キャブレターパーツ

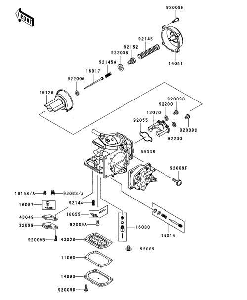
見出番号

部品番号

部品名

数量

11060

11060-3789

ガスケツト

13070

13070-3727

ガイド,バキユ-ム バルブ

14041

14041-1100

カバ-コンプ

14090

14090-3816

**生産打切品**カバ-

16014

16014-3701

スクリユ-(パイロツトエア)

16017

16017-3705

**生産打切品**ジエツト(ニ-ドル),N8DC

16030

16030-3704

バルブ(フロ-ト)

16055

16055-3703

ア-ム(フロ-ト)

16087

16087-3706

バルブ(チエツク)

16126

16126-3706

バルブ,バキユ-ム

16158

16158-3724

ジエツト(スロ-),#48

16158A

16158-3725

ジエツト(スロ-),#45

32099

32099-3833

**生産打切品**ケ-ス

43028

43028-3711

ダイアフラム

43049

43049-3713

パツキング

59336

59336-3717

ケ-ス(ポンプ),ダイアフラム

92009

92009-1771

スクリユ-

92009A

92009-3712

スクリユ-

92009B

92009-3804

スクリユ-

92009C

92009-3839

スクリユ-,バルブ ガイド

92009D

92009-3840

スクリユ-

92009E

92009-3841

スクリユ-,ミキシング トツプ

92009F

92009-3865

スクリユ-,6X16

92055

92055-3749

リング(0),バキユ-ム バルブ ガイト

92063

92063-3725

ジエツト(メイン),#165

92063A

92063-3723

ジエツト(メイン),#155

92144

92144-3764

スプリング

92145

92145-3714

スプリング,バルブ

92145A

92145-3715

**生産打切品**スプリング,ジエツト ニ-ドル

92152

92152-3706

カラ-

92200

92200-3772

ワツシヤ,バルブ ガイド

92200A

92200-3773

ワツシヤ,ジエツト ニ-ドル

92200B

92200-3774

ワツシヤ,ジエツト ニ-ドル カラ-