純正パーツカタログよりご注文又はお見積
KAWASAKI JETSKI  1998年式  1100ZXI JH1100-A3 > クランクケース

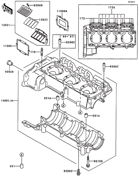
見出番号

部品番号

部品名

数量

11060

11060-3717

ガスケツト,リ-ド バルブ

11060A

11060-3757

ガスケツト

12021

12021-3709

**生産打切品**バルブアツシ(リ-ド)

12022

12022-3703

バルブ(リ-ド)

14001

14001-5362

**生産打切品**セツト(クランクケ-ス),JT1100-B1

92002

92002-3726

ボルト,6X30

92009

92009-1371

スクリユ-,3X6

92028

92028-3718

ブツシング

92062

92062-3705

ノズル

92150

92150-3708

ボルト,8X65

172

172R0620

ウエコミ ボルト

172A

172R0630

**生産打切品**ウエコミ ボルト

175

175R1035

ウエコミ ボルト(ホソメ)

551

551R0612

ノツク ピン

551A

551R1012

ノツク ピン