
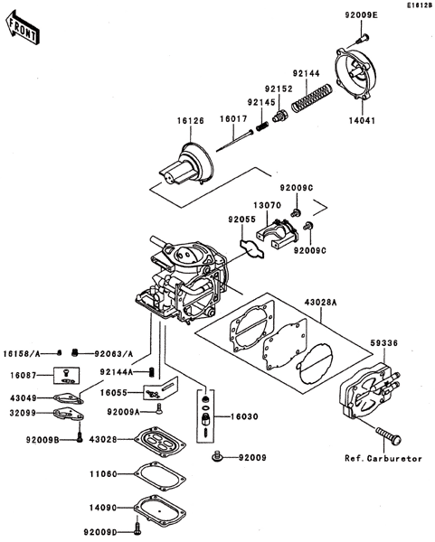
|
見出番号 |
部品番号 |
部品名 |
数量 |
11060 |
11060-3789 |
ガスケツト
|
|
13070 |
13070-3726 |
ガイド,バキユ-ム バルブ
|
|
14041 |
14041-1100 |
カバ-コンプ
|
|
14090 |
14090-3816 |
**生産打切品**カバ-
|
|
16017 |
16017-3702 |
ジエツト(ニ-ドル),N6PA
|
|
16030 |
16030-3704 |
バルブ(フロ-ト)
|
|
16055 |
16055-3702 |
ア-ム(フロ-ト)
|
|
16087 |
16087-3706 |
バルブ(チエツク)
|
|
16126 |
16126-3705 |
バルブ,バキユ-ム
|
|
16158 |
16158-3726 |
ジエツト(スロ-),#35
|
|
16158A |
16158-3723 |
**生産打切品**ジエツト(スロ-),#32
|
|
32099 |
32099-3833 |
**生産打切品**ケ-ス
|
|
43028 |
43028-3711 |
ダイアフラム
|
|
43028A |
43028-3718 |
ダイアフラム ※
|
|
43049 |
43049-3713 |
パツキング
|
|
59336 |
59336-3715 |
ケ-ス(ポンプ)
|
|
92009 |
92009-1771 |
スクリユ-
|
|
92009A |
92009-3712 |
スクリユ-
|
|
92009B |
92009-3804 |
スクリユ-
|
|
92009C |
92009-3839 |
スクリユ-,バルブ ガイド
|
|
92009D |
92009-3840 |
スクリユ-
|
|
92009E |
92009-3841 |
スクリユ-,ミキシング トツプ
|
|
92055 |
92055-3749 |
リング(0),バキユ-ム バルブ ガイト
|
|
92063 |
92063-3725 |
ジエツト(メイン),#165
|
|
92063A |
92063-3722 |
**生産打切品**ジエツト(メイン),#160
|
|
92144 |
92144-1962 |
スプリング,バキユ-ム バルブ
|
|
92144A |
92144-3764 |
スプリング
|
|
92145 |
92145-3707 |
**生産打切品**スプリング,ジエツト ニ-ドル
|
|
92152 |
92152-3706 |
カラ-
|
|
|