純正パーツカタログよりご注文又はお見積
BRP SEA DOO  2010年式  RXT iS 260 34AB > クーリングシステム

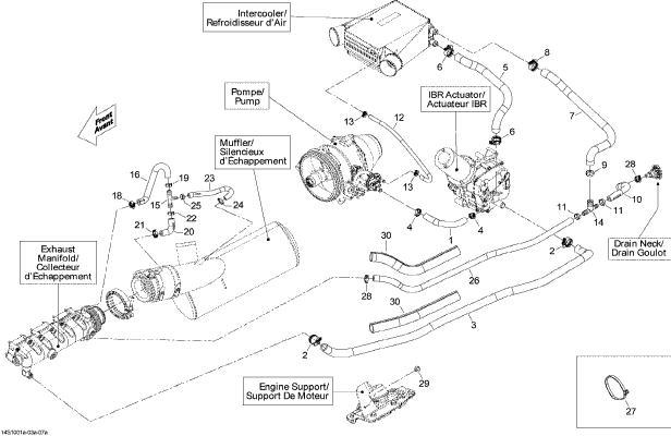
見出番号

部品番号

部品名

数量

1

276000237

HOSE-MOLDED

2

293650051

CLAMP-TRIDON

3

276000238

HOSE-FORMED

4

293650172

HOSE CLAMP

5

276000099

HOSE-19MM

6

293650051

CLAMP-TRIDON

7

276000099

HOSE-19MM

8

293650051

CLAMP-TRIDON

10

276000239

HOSE

11

293650012

CLAMP-OETIKER

12

275500548

HOSE-5/16 5M/PAC

13

293650171

HOSE CLAMP

14

293710132

FITTING-T

15

293710116

FITTING-T

16

276000244

HOSE-FORMED

17

293750008

TIE-RAP 350MM

18

293650172

HOSE CLAMP

19

293650012

CLAMP-OETIKER

20

276000245

HOSE-FORMED

21

293650172

HOSE CLAMP

22

293650012

CLAMP-OETIKER

23

276000246

HOSE-FORMED

24

293650171

HOSE CLAMP

25

293650030

CLAMP-OETIKER 185

26

296000303

HOSE 12.5MM 3M/PAC

27

293750008

TIE-RAP 350MM

28

293650172

HOSE CLAMP

29

293730040

DART-MOUNT

30

409902200

TUBING-25MM