純正パーツカタログよりご注文又はお見積
BRP SEA DOO  2007年式  GTI SE 130 247B > フューエルシステム

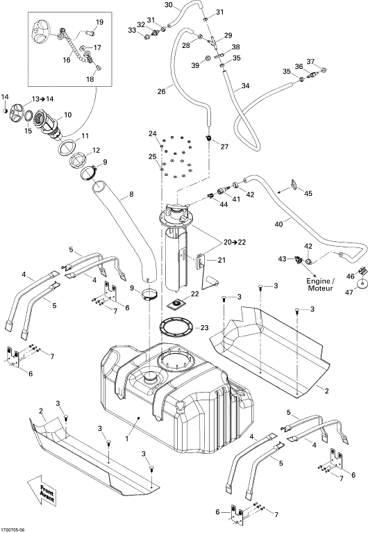
見出番号

部品番号

部品名

数量

1

275500675

TANK-FUEL

2

293830094

PAD-RUBBER

3

293730011

DART-BLACK

4

293850067

STRAP-FUEL TANK

5

293850038

STRAP

6

293850066

CLIP-STRAP

7

293150043

RIVET-POP 3/16

8

275500635

HOSE-FIL NECK

9

293650023

CLAMP-TRIDON

10

275500684

NECK-FILLER

11

293250029

GASKET

12

211100012

NUT-NECK FILLER FUEL

13

275500430

CAP-FUEL SUB

14

293000034

CAP-SNAP BLACK

15

293250017

GASKET

16

275500507

CHAIN-CAP FUEL

17

234032600

WASHER-FLAT DIN.9021B-A2

18

390407900

RIVET-POP 1/8

19

241140060

SCREW-PT.HEX.FLANGE K40 X 10

20

270600087

MODULE-FUEL P.

21

270600051

LEVER-SENSOR

22

219700368

BOSCH SERVICE FILTER

23

293250088

GASKET

24

232551200

NUT-STOP ELASTIC DIN.985

25

234052600

WASHER-FLAT DIN.9021B-A2

26

275500549

HOSE-1/4 (10M/PAC)

27

293650170

HOSE CLAMP

28

293650025

CLAMP-OETIKER

29

293710059

FITTING-Y

30

275500549

HOSE-1/4 (10M/PAC)

31

293650025

CLAMP-OETIKER

32

275500398

VALVE-CHECK

33

293720029

GROMMET

34

275500670

HOSE-1/4 (PC=1)

35

293650025

CLAMP-OETIKER

36

275500505

VALVE-CHECK

37

293720029

GROMMET

38

414115200

TIE-RAP 180MM

39

293730040

DART-MOUNT

40

275500626

HOSE-5/16

41

275500428

CONNECTOR-BOX

42

293650011

CLAMP-OETIKER

43

293710105

FITTING-ELBOW

44

275500429

CONNECTOR-STOPPER

45

414115200

TIE-RAP 180MM

46

275500528

HOSE-RETAINER

47

250200028

RUBBER WASHER