純正パーツカタログよりご注文又はお見積
BRP SEA DOO  2006年式  3D-DI  226B > フューエルシステム

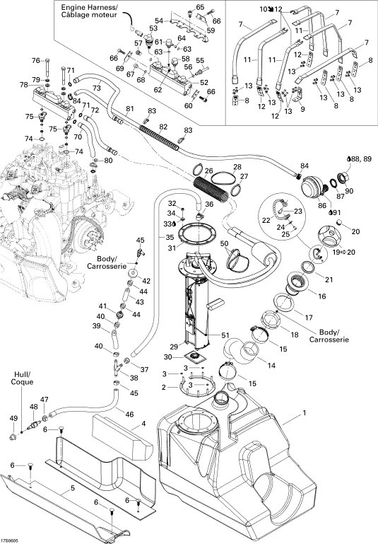
見出番号

部品番号

部品名

数量

1

275500652

FUEL TANK

2

275500616

C RING 9 STUD

3

389804300

PUSH-NUT

4

292001065

PAD-FOAM

5

293830087

PAD-RUBBER

6

293730006

DART-BLACK

7

293850067

STRAP-FUEL TANK

8

293850024

CLIP-STRAP

9

293850076

CLIP-STRAP 90

10

293850037

STRAP-FUEL TANK

11

293850038

STRAP

12

293850024

CLIP-STRAP

13

293150037

RIVET-AVDEL 3/16

14

275500649

HOSE-FIL NECK

15

293650023

CLAMP-TRIDON

16

275500231

NECK-FILLER

17

293250029

GASKET

18

211100012

NUT-NECK FILLER FUEL

19

275500430

CAP-FUEL SUB

20

293000034

CAP-SNAP BLACK

21

293250075

GASKET

22

275500518

CHAIN-CAP FUEL

23

241140060

SCREW-PT.HEX.FLANGE K40 X 10

24

234032600

WASHER-FLAT DIN.9021B-A2

25

390407900

RIVET-POP 1/8

26

415084700

PROTECTOR TUBE

27

293750008

TIE-RAP 350MM

28

293750008

TIE-RAP 350MM

29

275500655

FUEL MODULE

30

219700368

BOSCH SERVICE FILTER

31

293250088

GASKET

32

250100071

NUT-FLANGE HEXAGONAL M5

33

293800060

LOCTITE-243

34

291001956

RUBBER WASHER

35

275500549

HOSE-1/4 (10M/PAC)

36

293650170

HOSE CLAMP

37

293650025

CLAMP-OETIKER

38

293710059

FITTING-Y

39

275500549

HOSE-1/4 (10M/PAC)

40

293650025

CLAMP-OETIKER

41

275500398

VALVE-CHECK

42

570135100

GROMMET

43

275500549

HOSE-1/4 (10M/PAC)

44

293650025

CLAMP-OETIKER

45

414580600

CONNECTOR-MALE

46

275500549

HOSE-1/4 (10M/PAC)

47

293650025

CLAMP-OETIKER

48

275500505

VALVE-CHECK

49

293720029

GROMMET

50

293750008

TIE-RAP 350MM

51

270600051

LEVER-SENSOR

52

275500656

DISTRIBUTOR-FUEL

53

275500460

INJECTOR-FUEL

54

275500543

PLATE-RETAINNER

55

275500538

ADAPTER-AIR

56

293300069

RING-O

57

275500595

FUEL PLUG

58

275500463

REGULATOR-AIR

59

275500456

PLATE-RETAINNER

60

275500596

RETAINER PLATE

61

275500464

REGULATOR-FUEL

62

275500449

COVER

63

293300072

RING-O

64

275500465

SPACER

65

205051260

SCREW-SOCKET HD.DIN.912A2

66

205061260

SCREW-SOCKET HD.DIN.912A2

67

275500597

AIR PLUG

68

275500598

O-RING

69

275500455

PLATE-RETAINNER

70

270600022

HOSE-PRESSURE

71

293300070

RING-O

72

275500657

HOSE-ASS Y

73

275500658

HOSE-ASS Y

74

293300083

O-RING

75

275500633

INJECTOR-AIR

76

207087060

SCREW-HEX.CAP DIN.931A2

77

293800060

LOCTITE-243

78

234081600

WASHER-FLAT DIN.125A-A2

79

234181601

WASHER-LOCK HELICAL

80

232561600

NUT-STOP ELASTIC DIN.985-A2

81

276000084

HOSE-8MM.(3M/PAC)

82

415080000

TUBING-16MM I.D.1M/PAC

83

293750002

TIE-RAP 130MM

84

293650170

HOSE CLAMP

86

270000569

NOISE REDUCER

87

293830027

WASHER-SEAL

88

293800041

PRIMER-LOCTITE

89

293800060

LOCTITE-243

90

211100020

NUT-SPECIAL M27

91

296000309

SEAL-SILICONE