
|
見出番号 |
部品番号 |
部品名 |
数量 |
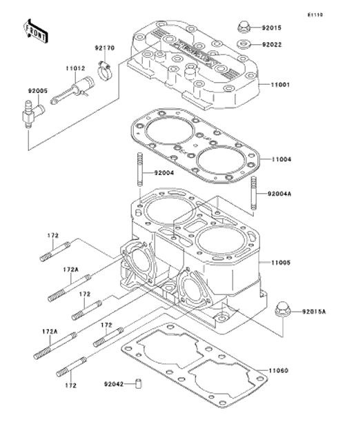
11001 |
11001-3719 |
**生産打切品**ヘツド シリンダ
|
|
11004 |
11004-3714 |
ガスケツト(ヘツド)
|
|
11005 |
11005-3722 |
**生産打切品**シリンダ(エンジン)
|
|
11012 |
11012-3757 |
キヤツプ
|
|
11060 |
11060-3711 |
ガスケツト,シリンダ ベ-ス
|
|
92004 |
92004-3715 |
スタツド,8X43
|
|
92004A |
92004-3719 |
スタツド
|
|
92005 |
92005-3711 |
フイテイング
|
|
92015 |
92015-1371 |
ナツト,キヤツプ,8MM
|
|
92015A |
92015-1649 |
ナツト
|
|
92022 |
92022-1964 |
ワツシヤ
|
|
92042 |
92042-007 |
ドエル ピン,6.3X8X14
|
|
92170 |
92170-3729 |
**Web参照**クランプ
|
|
172 |
172R0830 |
ウエコミ ボルト
|
|
172A |
172R0875 |
ウエコミ ボルト,8X75
|
|
|