
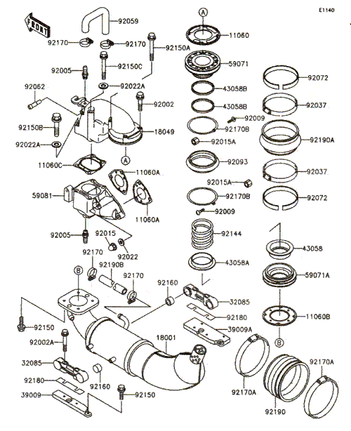
|
見出番号 |
部品番号 |
部品名 |
数量 |
11060 |
11060-3718 |
ガスケツト,エキゾ-スト パイプ
|
|
11060A |
11060-3759 |
ガスケツト
|
|
11060B |
11060-3724 |
**生産打切品**ガスケツト,マフラ
|
|
11060C |
11060-3732 |
**生産打切品**ガスケツト,エキゾ-スト マニホ-ルド
|
|
18001 |
18001-3767 |
**生産打切品**マフラ
|
|
18049 |
18049-3740 |
**生産打切品**PIPE-EXHAUST
|
|
32085 |
32085-3713 |
**生産打切品**ストツパ
|
|
39009 |
39009-3709 |
**生産打切品**ブロツク-マウント,LH
|
|
39009A |
39009-3708 |
**生産打切品**ブロツク(マウント),RH
|
|
43058 |
43058-3705 |
リング
|
|
43058A |
43058-3706 |
**生産打切品**リング
|
|
43058B |
43058-3707 |
**生産打切品**リング
|
|
59071 |
59071-3728 |
**生産打切品**ジヨイント,UPP
|
|
59071A |
59071-3729 |
**生産打切品**ジヨイント,LWR
|
|
59081 |
59081-3713 |
**生産打切品**マニホ-ルド(エキゾ-スト)
|
|
92002 |
92002-3715 |
ボルト,6X35
|
|
92002A |
92002-3717 |
**生産打切品**ボルト,6X45
|
|
92005 |
92005-3712 |
フイテイング,ホ-ス
|
|
92009 |
92009-3796 |
**生産打切品**スクリユ-,3X14
|
|
92015 |
92015-1371 |
ナツト,キヤツプ,8MM
|
|
92015A |
92015-3825 |
ナツト,3MM
|
|
92022 |
92022-1964 |
ワツシヤ
|
|
92022A |
92022-3742 |
ワツシヤ
|
|
92037 |
92037-3706 |
クランプ
|
|
92059 |
92191-3766 |
チユ-ブ,ヘツド(エキゾ-スト)
|
|
92062 |
92062-3705 |
ノズル
|
|
92072 |
92072-3740 |
バンド
|
|
92093 |
92093-3738 |
シール
|
|
92144 |
92144-3739 |
スプリング
|
|
92150 |
92150-3729 |
ボルト,6X18
|
|
92150A |
92150-3761 |
**生産打切品**ボルト
|
|
92150B |
92150-3819 |
ボルト,10C50
|
|
92150C |
92150-3820 |
**生産打切品**ボルト,10X145
|
|
92160 |
92160-3740 |
**生産打切品**ダンパ
|
|
92170 |
92170-3729 |
**Web参照**クランプ
|
|
92170A |
92170-3721 |
**生産打切品**クランプ
|
|
92170B |
92170-3731 |
クランプ
|
|
92180 |
92180-3701 |
**生産打切品**シム
|
|
92190 |
92190-3709 |
**Web参照**チユ-ブ
|
|
92190A |
92190-3712 |
チユ-ブ
|
|
92190B |
92191-3717 |
**生産打切品**チユ-ブ,13X19X140
|
|
|