純正パーツカタログよりご注文又はお見積
BRP SEA DOO  2006年式  RXP215 216B/D > エキゾーストシステム

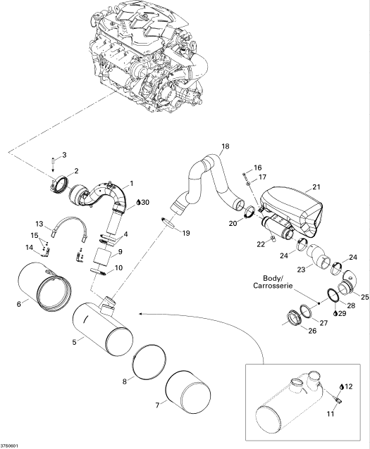
見出番号

部品番号

部品名

数量

1

274001049

EXHAUST PIPE

2

274000959

EXHAUST CLAMP

3

415080200

POLYURETHANE HOSE

4

293650107

CLAMP-TRIDON

5

274001095

MUFFLER

6

274001008

MUFFLER COVER

7

274000984

COVER-MUFFLER

8

293750020

TIE-RAP 838MM

9

274001302

HOSE-EXHAUST

10

293650107

CLAMP-TRIDON

11

278001016

SENSOR-LIQUID

12

293800038

LOCTITE-518

13

293850036

STRAP-FUEL TANK

14

293850076

CLIP-STRAP 90

15

293150043

RIVET-POP 3/16

16

207284060

SCREW-HEX.CAP-DIN.931A2 S.GRIP

17

234082600

WASHER-FLAT DIN.9021B-A2

18

274000987

HOSE-EXHAUST

19

293650107

CLAMP-TRIDON

20

293650107

CLAMP-TRIDON

21

274001045

RH. RESONATOR

22

278001940

BUSHING

23

274000991

HOSE-EXHAUST

24

293650064

CLAMP-TRIDON

25

274000542

OUTLET-EXHAUST

26

274000224

NUT-72MM

27

274000225

WASHER-STABILIZING

28

293250041

GASKET

29

296000309

SEAL-SILICONE

30

293800090

SEALANT