純正パーツカタログよりご注文又はお見積
BRP SEA DOO  2005年式  RXT 215 175B/D > フューエルシステム

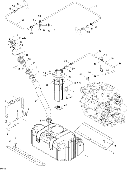
見出番号

部品番号

部品名

数量

1

275500480

TANK-FUEL

2

293830094

PAD-RUBBER

3

293730006

DART-BLACK

4

293850067

STRAP-FUEL TANK

5

293850038

STRAP

6

293850066

CLIP-STRAP

7

293150037

RIVET-AVDEL 3/16

8

275500648

HOSE-FIL NECK

9

293650023

CLAMP-TRIDON

10

275500231

NECK-FILLER

11

293250029

GASKET

12

211100012

NUT-NECK FILLER FUEL

13

275500430

CAP-FUEL SUB

14

293000034

CAP-SNAP BLACK

15

293250075

GASKET

16

275500518

CHAIN-CAP FUEL

17

241140060

SCREW-PT.HEX.FLANGE K40 X 10

18

234032600

WASHER-FLAT DIN.9021B-A2

19

390407900

RIVET-POP 1/8

20

270600056

PUMP MODULE

21

270600051

LEVER-SENSOR

23

219700368

BOSCH SERVICE FILTER

24

232551200

NUT-STOP ELASTIC DIN.985

25

234052400

WASHER-FLAT DIN.7349

26

275500549

HOSE-1/4 (10M/PAC)

27

293650170

HOSE CLAMP

28

293650050

CLAMP-CLIC

29

293710059

FITTING-Y

30

275500549

HOSE-1/4 (10M/PAC)

31

293650050

CLAMP-CLIC

32

275500398

VALVE-CHECK

33

293720029

GROMMET

34

275500549

HOSE-1/4 (10M/PAC)

35

293650050

CLAMP-CLIC

36

275500505

VALVE-CHECK

37

293720029

GROMMET

38

275500626

HOSE-5/16

39

275500428

CONNECTOR-BOX

40

293650011

CLAMP-OETIKER

41

293710105

FITTING-ELBOW

42

275500429

CONNECTOR-STOPPER

43

293710104

BLEED VALVE

44

414115200

TIE-RAP 180MM

45

293250088

GASKET