純正パーツカタログよりご注文又はお見積
BRP SEA DOO  2005年式  GTX LTD 215 185B > クーリングシステム

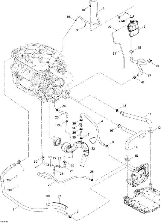
見出番号

部品番号

部品名

数量

1

276000138

HOSE-FORMED

2

293650051

CLAMP-TRIDON

3

414115200

TIE-RAP 180MM

4

276000001

HOSE-12 5MM (PC=1M)

5

293650172

HOSE CLAMP

6

276000086

TANK-COOLANT

7

276000100

PRESSURE CAP ASSY

8

276000127

LATCH

9

276000102

HOSE-FORMED

10

293650170

HOSE CLAMP

11

276000091

HOSE-RIGHT

12

293650114

CLAMP-SPRING

13

293650045

CLAMP-TRIDON

14

276000092

HOSE-LEFT

15

293650114

CLAMP-SPRING

16

293650045

CLAMP-TRIDON

17

276000115

MOLDED HOSE

18

275500526

RETAINER

19

293650115

CLAMP-SPRING

20

293650019

CLAMP-TRIDON

21

415080200

POLYURETHANE HOSE

22

293750001

TIE-RAP 94MM

23

276000103

HOSE-FORMED

24

293650172

HOSE CLAMP

25

276000136

HOSE-FORMED

26

276000137

HOSE-FORMED

27

293710025

FITTING-T

28

293650171

HOSE CLAMP

29

509000093

HOSE-8MM

30

293650172

HOSE CLAMP

31

293650012

CLAMP-OETIKER

32

293750008

TIE-RAP 350MM

33

291000714

BRACKET

34

295000103

FITTING-T

35

276000001

HOSE-12 5MM (PC=1M)

36

293650172

HOSE CLAMP

37

409902200

TUBING-25MM

38

276000125

SHRINK TUBING