純正パーツカタログよりご注文又はお見積
BRP SEA DOO  2003年式  GTI LE RFI 110 6103 > シリンダー/排気管

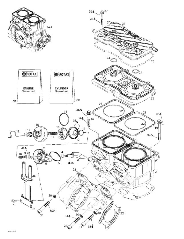
見出番号

部品番号

部品名

数量

1

420078703

BLOCK-SHORT787

1

420078706

BLOCK-SHORT BLACK 787

1

420931728

CYLINDER GASKET 0.6MM

1

420931726

CYLINDER GASKET 0.4MM

1

420931725

CYLINDER GASKET 0.3MM

2

420923846

CYLINDER-ASSY.

2

420923847

CYLINDER-ASSY. BLACK 787

3

420854354

VALVE-EXHAUST

4

420931765

O RING

5

420931670

GASKET-RUBBER

6

420854438

HOUSING-VALVE

6

420854436

HOUSING-VALVE

7

205062560

SCREW-SOCKET HD.DIN.912A2

8

420931765

O RING

9

420926225

SUPPORT RING

10

420838260

COMPRESSION SPRING

11

420838253

CLAMP-SPRING

12

420260723

BELLOWS

13

420854446

VALVE-EXHAUST

14

420239048

SPRING-HOSE

15

420939137

※※供給終了※※ RAVE SPRING

16

420911558

COVER-VALVE

17

420241221

SCREW-ADJUSTER

18

420838083

SPRING CLAMP (2PCS/PACK)

19

420941903

SCREW-HEX.FLAN

20

420941333

SCREW-HEX.FLAN

21

420931420

RUBBER RING

22

420931410

O RING

23

420923308

CYLINDER HEAD SILVER 787

23

420923309

CYLINDER HEAD BLACK 787

24

420430782

RING-O

25

420831550

O-RING

26

420923313

COVER-CYL.HEAD

26

420923316

COVER-CYL.HEAD BLACK 787

27

420240728

SCREW-HEX.FLAN

28

420931481

EXHAUST MANIFOLD GASKET

29

420979484

EXHAUST MANIFOLD SILVER

29

420979483

EXHAUST MANIFOLD BLACK

30

234101601

WASHER-LOCK HELICAL

31

205006060

SCREW-SOCKET HD.DIN.912A2

32

420931503

EXHAUST GASKET

33

293800060

LOCTITE-243

34

293800038

LOCTITE-518

35

413707000

DOW CORNING 111

36

278001512

INSULATOR

37

278001662

PLATE-GROUND

38

420886392

SET-GASKET

39

420886396

SET-GASKET CYL.