純正パーツカタログよりご注文又はお見積
BRP SEA DOO  2003年式  GTI LE RFI 110 6103 > オイルインジェクション

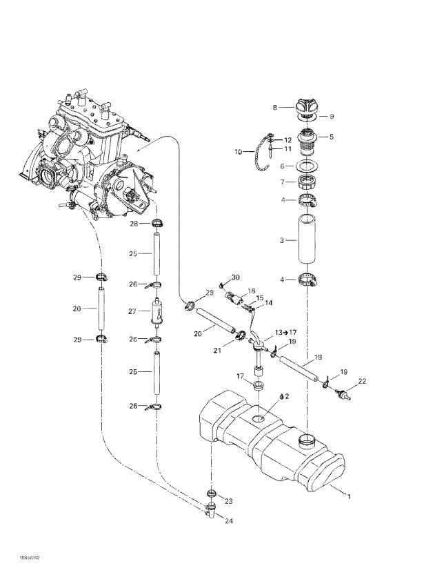
見出番号

部品番号

部品名

数量

1

275000238

TANK-OIL ASSY.

2

293600045

OIL 2T 12X1 SYNTH

2

293600046

OIL 2T 3X1G SYNTH

2

293600047

OIL 2T DRUM SYNTH

3

275000230

HOSE-FIL.NECK

4

293650035

CLAMP-TRIDON

5

275000242

NECK-FILLER

6

293250132

GASKET

7

211100013

NUT-NECK FILLER OIL

8

275000186

CAP-OIL ASSY.

9

293250025

RING-O

10

275500015

CHAIN-CAP OIL

11

390407900

RIVET-POP 1/8

12

234032600

WASHER-FLAT DIN.9021B-A2

13

278001401

SENSOR-OIL

14

278000218

SEAL-WIRE

15

278000222

TERMINAL-MALE

16

278000217

CONNECTOR_DELPHI MALE 2 CAVITIES

17

293720008

GROMMET

18

275500549

HOSE-1/4 (10M/PAC)

19

293750002

TIE-RAP 130MM

20

275000008

HOSE-12MM

21

293650129

HOSE CLAMP

22

275500398

VALVE-CHECK

23

293720008

GROMMET

24

293710051

FITTING-ELBOW

25

275000007

HOSE-8MM.(10M/PAC)

26

293750001

TIE-RAP 94MM

27

275000051

FILTER-OIL

28

293650042

CLAMP-OETIKER

29

293650084

CLAMP-NORMA

30

293550004

GREASE-DIELECT DC4