純正パーツカタログよりご注文又はお見積
BRP SEA DOO  2003年式  GTI-LE 85 6101 > クーリングシステム

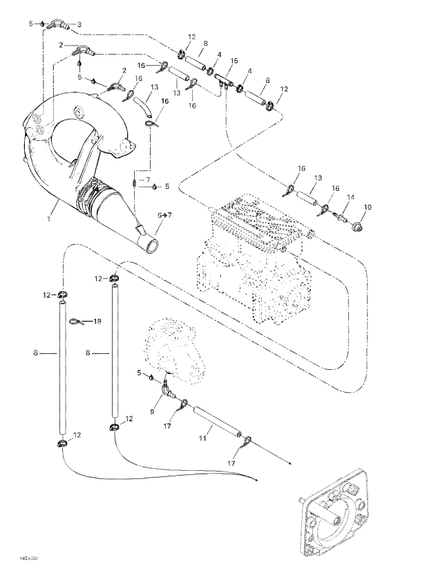
見出番号

部品番号

部品名

数量

1

274000980

PIPE-HEAD

2

293710018

FITTING-ELBOW

3

293700023

FITTING-ELBOW

4

293650012

CLAMP-OETIKER

5

293800013

SEALANT-PIPE

6

274000488

CONE-EXHAUST

7

293710037

CONNECTOR-MALE

8

276000001

HOSE-12 5MM (PC=1M)

9

293700016

FITTING-ELBOW

10

293720029

GROMMET

11

275000007

HOSE-8MM.(10M/PAC)

12

293650130

HOSE-CLAMP

13

276000048

HOSE-6MM

14

293710039

FITTING-STRAIG

15

293710100

DOUBLE T FITTING

16

293750001

TIE-RAP 94MM

17

293750002

TIE-RAP 130MM

18

414115200

TIE-RAP 180MM