純正パーツカタログよりご注文又はお見積
YAMAHA MarineJet  2009年式  MJ-FX C SHO FX1800A-H/GRAY > インテーク1

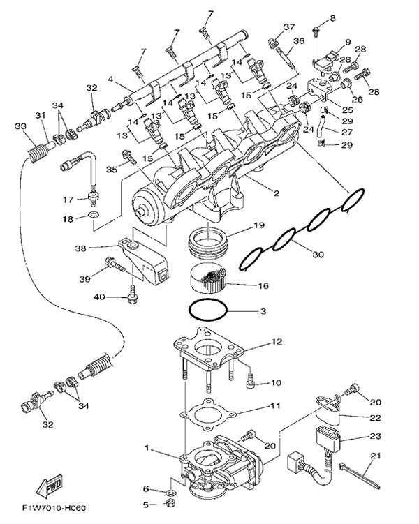
見出番号

部品番号

部品名

数量

1

6S5-13750-00

スロツトルボデ-アセンブリ

2

6S5-13641-00

マニホ-ルド 1

3

6S5-14147-00

O-リング

4

6S5-12880-00

デリバリイパイプ

5

6P2-13588-00

NUT

6

6P2-13578-00

WASHER

7

63P-14446-00

ボルト

8

6S5-13573-00

ボルト 1

9

6S5-82380-00

センサ-,プレツシヤ-

10

6S5-14496-00

BOLT

11

6S5-14536-00

ガスケツト

12

6S5-14360-00

スロツトルダンパアセンブリ

13

6S5-13761-00

インジエクタアセンブリ

14

60E-14147-00

O-リング

15

8FP-13556-00

ガスケツト,マニホ-ルド

16

6D3-1444B-00

リボン

17

6S5-85886-00

センサ,エアテンプラチユア

18

6S5-14285-00

ワツシヤ

19

6S5-14457-00

ホルダ

24

6S5-14445-00

グロメツト

25

6S5-14291-00

ブラケツト 1

26

6S5-14534-00

カラ-

27

69J-13532-00

ホース,バキユームセンシング3

28

6S5-14446-00

ボルト

29

6S5-14159-00

クリツプ

30

6S5-13645-00

ガスケツト,マニホ-ルド 1

31

6S5-14294-01

ホ-ス

32

6S5-24300-01

FUEL PIPE JOINT

33

90447-19016

TUBE (L480)

34

90450-17M17

HOSE CLAMP ASSY

35

90119-08022

ボルト,ウイズワツシヤ

36

90116-08032

ボルト,スタツド

37

90176-08080

ナツト,クラウン

38

6S5-14413-00-94

ステ-

39

90119-08043

BOLT, WITH WASHER

40

90119-08099

BOLT, WITH WASHER