
|
見出番号 |
部品番号 |
部品名 |
数量 |
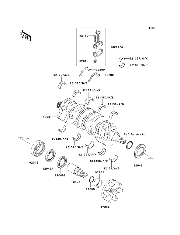
13031 |
13031-3742 |
**Web参照**クランクシヤフトコンプ
|
|
13107 |
13107-3785 |
シヤフト
|
|
13251 |
13251-3702-JJ |
ロツドアツシ(コネクテイング)
|
|
13251A |
13251-3702-JJ |
ロツドアツシ(コネクテイング)
|
|
42034 |
42034-3711 |
カツプリング
|
|
92015 |
92015-1559 |
ナツト,コネクテイング ロツド
|
|
92045 |
92045-3739 |
ベアリング(ボ-ル),6208
|
|
92049 |
92049-3736 |
シ-ル(オイル),SD347626LHS
|
|
92049A |
92049-3737 |
シ-ル(オイル),FPJ740628.5ZS
|
|
92049B |
92049-3738 |
シ-ル(オイル),S40626NS
|
|
92055 |
92055-091 |
リング(0)
|
|
92139 |
92139-3702 |
ブツシング,クランクシヤフト,#1,ブ
|
|
92139A |
92139-3703 |
ブツシング,クランクシヤフト,#1,ブ
|
|
92139B |
92139-3704 |
ブツシング,クランクシヤフト,#1,ブ
|
|
92139C |
92139-3705 |
ブツシング,クランクシヤフト,#2,ブ
|
|
39139D |
92139-3706 |
ブツシング,クランクシヤフト,#2,ブ
|
|
92139E |
92139-3707 |
ブツシング,クランクシヤフト,#2,ブ
|
|
92139F |
92139-3708 |
ブツシング,コネクテイング ロツド,ブル
|
|
92139G |
92139-3709 |
ブツシング,コネクテイング ロツド,ブラ
|
|
92139H |
92139-3710 |
ブツシング,コネクテイング ロツド,ブラ
|
|
92139I |
92139-3711 |
ブツシング,クランクシヤフト,#3,ブル-
|
|
92139J |
92139-3712 |
ブツシング,クランクシヤフト,#3,ブラツク
|
|
92139K |
92139-3713 |
ブツシング,クランクシヤフト,#3,ブラウン
|
|
92150 |
92150-1362 |
ボルト
|
|
92152 |
92152-3733 |
カラ-,アウトプツト RR,L=19.5
|
|
92200 |
92200-3789 |
ワツシヤ
|
|
|