純正パーツカタログよりご注文又はお見積
BRP SEA DOO  2001年式  GTX-RFI 100 5524 > オイルインジェクションシステム

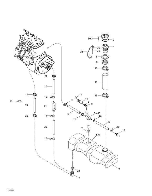
見出番号

部品番号

部品名

数量

1

275000238

TANK-OIL ASSY.

2

275000186

CAP-OIL ASSY.

3

293250025

RING-O

4

275000212

NECK-FILLER

5

293250016

GASKET

6

211100013

NUT-NECK FILLER OIL

7

278001401

SENSOR-OIL

7

293720008

GROMMET

8

278000218

SEAL-WIRE

9

278000222

TERMINAL-MALE

10

278000217

CONNECTOR_DELPHI MALE 2 CAVITIES

11

275000230

HOSE-FIL.NECK

12

293710051

FITTING-ELBOW

13

275000008

HOSE-12MM

14

293550004

GREASE-DIELECT DC4

15

293750001

TIE-RAP 94MM

16

293650035

CLAMP-TRIDON

17

293650038

HOSE CLAMP

18

275500139

HOSE-6MM.(4.572M/PAC)

19

275500398

VALVE-CHECK

20

275000007

HOSE-8MM.(10M/PAC)

21

275000051

FILTER-OIL

22

293650042

CLAMP-OETIKER

23

293720008

GROMMET

24

275500015

CHAIN-CAP OIL

25

390407900

RIVET-POP 1/8

26

293750002

TIE-RAP 130MM

27

413802900

OIL 2T 12X1 MINERAL

27

413803000

OIL 2T 3X1 G MINERALE

27

413803200

HUILE INJ.-INJ205L45G (BARIL)(

27

413710500

OIL 2T 12X1 SYNTH

27

413711000

OIL-XPS SYNTH. 3X4L

27

413710700

OIL-INJ2STROKE

28

414115200

TIE-RAP 180MM

29

293650084

CLAMP-NORMA

30

234032600

WASHER-FLAT DIN.9021B-A2