純正パーツカタログよりご注文又はお見積
BRP SEA DOO  2001年式  LRV 130 5697 > オイルインジェクションシステム

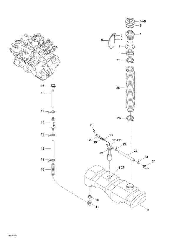
見出番号

部品番号

部品名

数量

1

275000212

NECK-FILLER

2

293250016

GASKET

3

211100013

NUT-NECK FILLER OIL

4

275000186

CAP-OIL ASSY.

5

293250025

RING-O

6

275500015

CHAIN-CAP OIL

7

390407900

RIVET-POP 1/8

8

234032600

WASHER-FLAT DIN.9021B-A2

9

275000172

TANK-OIL ASSY.

10

293720008

GROMMET

11

293710070

FITTING-ELBOW

12

275000007

HOSE-8MM.(10M/PAC)

13

293750001

TIE-RAP 94MM

14

275000051

FILTER-OIL

15

204550064

SPRING-COIL

16

293650042

CLAMP-OETIKER

17

278001402

SENSOR-OIL

18

278000218

SEAL-WIRE

19

278000222

TERMINAL-MALE

20

278000217

CONNECTOR_DELPHI MALE 2 CAVITIES

21

293720008

GROMMET

22

275500139

HOSE-6MM.(4.572M/PAC)

23

293750002

TIE-RAP 130MM

24

275500398

VALVE-CHECK

25

275000185

HOSE-FIL.NECK

26

293650035

CLAMP-TRIDON

27

413802900

OIL 2T 12X1 MINERAL

27

413803000

OIL 2T 3X1 G MINERALE

27

413803200

HUILE INJ.-INJ205L45G (BARIL)(

27

413710500

OIL 2T 12X1 SYNTH

27

413711000

OIL-XPS SYNTH. 3X4L

27

413710700

OIL-INJ2STROKE

28

293550004

GREASE-DIELECT DC4