純正パーツカタログよりご注文又はお見積
BRP SEA DOO  1999年式  GTS 5883 > クーリングシステム

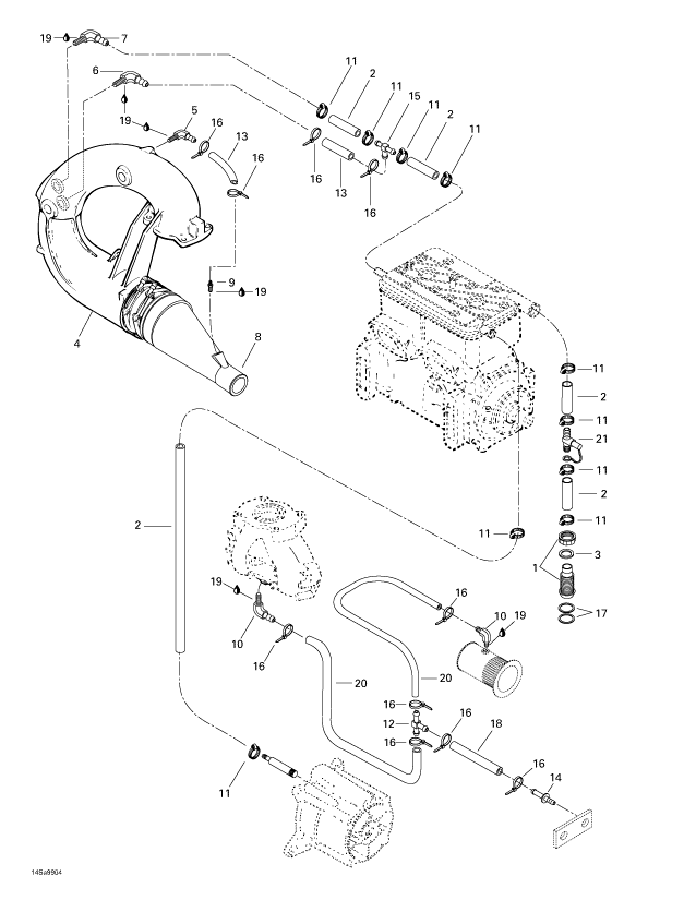
見出番号

部品番号

部品名

数量

1

293710043

FITTING

2

276000001

HOSE-12 5MM (PC=1M)

3

293050003

WASHER

4

274000770

PIPE-HEAD

5

293710018

FITTING-ELBOW

6

293710048

FITTING-ELBOW

7

293700023

FITTING-ELBOW

8

274000488

CONE-EXHAUST

9

293710037

CONNECTOR-MALE

10

293700016

FITTING-ELBOW

11

293650037

HOSE-CLAMP

12

293710042

FITTING-T

13

276000048

HOSE-6MM

14

291000306

FITTING-BLEED

15

293710052

FITTING-T

16

293750001

TIE-RAP 94MM

17

293250028

GASKET

18

275500018

HOSE-6MM.(30M/PAC)

19

293800013

SEALANT-PIPE

20

275000007

HOSE-8MM.(10M/PAC)

21

295000103

FITTING-T