純正パーツカタログよりご注文又はお見積
BRP SEA DOO  1999年式  SPX 5636/5828 > クーリングシステム

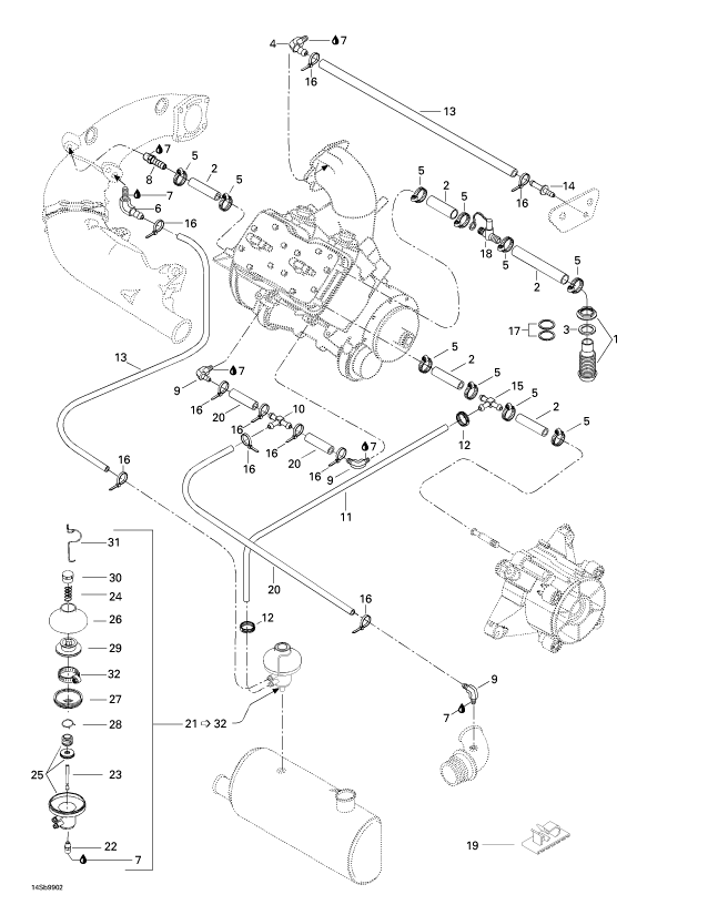
見出番号

部品番号

部品名

数量

1

293710043

FITTING

2

276000001

HOSE-12 5MM (PC=1M)

3

293050003

WASHER

4

293710018

FITTING-ELBOW

5

293650037

HOSE-CLAMP

6

293710048

FITTING-ELBOW

7

293800013

SEALANT-PIPE

8

293710021

CONNECTOR-MALE

9

293700016

FITTING-ELBOW

10

293710061

FITTING-T

11

275500139

HOSE-6MM.(4.572M/PAC)

12

293650042

CLAMP-OETIKER

13

276000048

HOSE-6MM

14

291000306

FITTING-BLEED

15

293710052

FITTING-T

16

293750001

TIE-RAP 94MM

17

293250028

GASKET

18

295000103

FITTING-T

19

293750005

TIE-CLAMP

20

275000007

HOSE-8MM.(10M/PAC)

21

274000611

REG-PRESSION

22

293700010

CONNECTOR-MALE

23

274000423

ROD-FEEDING

24

274000612

SPRING

26

420911551

COVER-VALVE

27

420260721

BELLOWS

28

420838190

CLAMP

29

420253255

VALVE-EXHAUST

30

290241220

SCREW-ADJUSTER

31

420838082

CLIP-SPRING

32

293650065

CLAMP