純正パーツカタログよりご注文又はお見積
KAWASAKI JETSKI  2001年式  ULTRA 150 JH1200-A3 > キャブレター

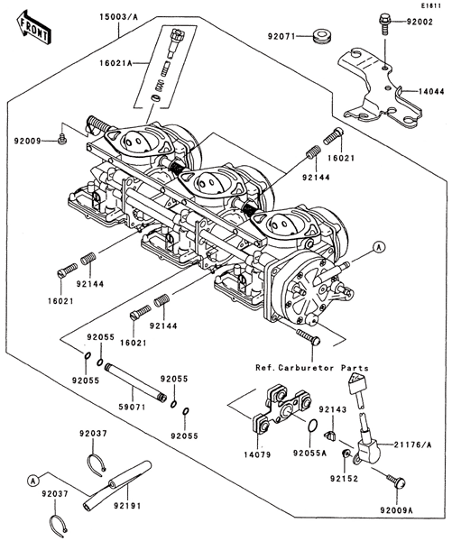
見出番号

部品番号

部品名

数量

14044

14044-3734

**生産打切品**ホルダ(ケ-ブル)

14079

14079-3722

**生産打切品**ホルダアツシ,センサ

15003

15003-3739

**生産打切品**キヤブレタアツシ

16021

16021-3704

※※供給終了※※ スクリユ-(スロツトルストツプ)

16021A

16021-3709

スクリユ-(スロツトルストツプ)

21176

21176-3739

センサ-

59071

59071-3766

**生産打切品**ジヨイント

92002

92002-3728

ボルト,6X16

92009

92009-3786

スクリユ-,4X6

92009A

92009-3863

スクリユ-,センサ

92037

92037-1173

クランプ,スパ-ク プラグ キヤツプ

92055

92055-1246

リング(0)

92055A

92055-1574

リング(0),センサ

92071

92071-1152

グロメツト

92143

92143-1907

カラ-

92144

92144-3745

**生産打切品**スプリング,スロツトル ストツプ スクリユ

92152

92152-3721

カラ-,センサ

92191

92191-3838

**生産打切品**チユ-ブ,プラス