
|
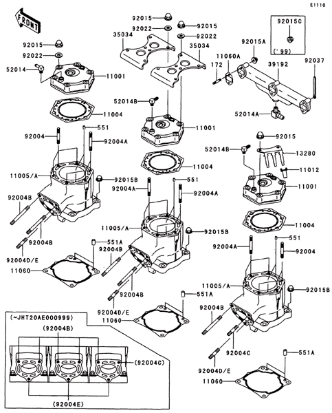
見出番号 |
部品番号 |
部品名 |
数量 |
11001 |
11001-3741 |
**生産打切品**ヘツド(シリンダ)
|
|
11004 |
11004-3717 |
ガスケツト(ヘツド)
|
|
11005 |
11005-3744 |
シリンダ(エンジン)
|
|
11012 |
11012-3768 |
キヤツプ,ホルダ
|
|
11060 |
11060-3783 |
ガスケツト,シリンダ ベ-ス
|
|
11060A |
11060-3784 |
ガスケツト,ウオ-タ-パイプ
|
|
13280 |
13280-3720 |
**生産打切品**ホルダ
|
|
35034 |
35034-3726 |
**生産打切品**リ-ンフオ-ス
|
|
39192 |
39192-3701 |
**生産打切品**パイプ(ウオ-タ)
|
|
52014 |
52014-3709 |
**生産打切品**エルボ
|
|
52014A |
52014-3711 |
エルボ
|
|
52014B |
52014-3713 |
**生産打切品**エルボ
|
|
92004 |
92004-3715 |
スタツド,8X43
|
|
92004A |
92004-3734 |
スタツド,8X53
|
|
92004B |
92004-3735 |
**生産打切品**スタツド,8X97
|
|
92004C |
92004-3736 |
スタツド,8X40
|
|
92004D |
92004-3736 |
スタツド,8X40
|
|
92015 |
92015-1371 |
ナツト,キヤツプ,8MM
|
|
92015A |
92015-1385 |
ナツト,キヤツプ,6MM
|
|
92015B |
92015-1649 |
ナツト
|
|
92022 |
92022-1964 |
ワツシヤ
|
|
92037 |
92037-3736 |
クランプ,L=100
|
|
172 |
172R0635 |
**生産打切品**ウエコミ ボルト
|
|
551 |
551R0408 |
ノツク ピン
|
|
551A |
551R0812 |
ノツク ピン
|
|
|