
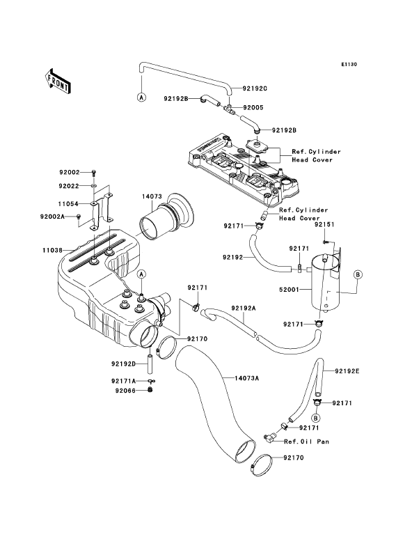
|
見出番号 |
部品番号 |
部品名 |
数量 |
11038 |
11038-3707 |
品番変更→11038-3712
|
|
11054 |
11054-3745 |
ブラケツト,エア ボツクス
|
|
14073 |
14073-3826 |
品番変更→14073-3840
|
|
14073A |
14073-3828 |
品番変更→14073-3833
|
|
52001 |
52001-3741 |
タンク(オイル),セパレータ
|
|
92002 |
92002-3755 |
ボルト
|
|
92002A |
92002-3763 |
ボルト
|
|
92005 |
92005-3745 |
フイテイング
|
|
92022 |
92022-3710 |
ワツシヤ
|
|
92066 |
92066-3792 |
プラグ
|
|
92151 |
92151-3788 |
ボルト,6X14
|
|
92170 |
92170-3760 |
クランプ
|
|
92171 |
92171-3710 |
**Web参照**クランプ,チユ-ブ
|
|
92171A |
92171-3721 |
クランプ
|
|
92192 |
92192-3768 |
チユ-ブ,ヘツド-オイル タンク
|
|
92192A |
92192-3769 |
チユ-ブ,オイル タンク-エアクリーナー
|
|
92192B |
92192-3792 |
チユ-ブ
|
|
92192C |
92192-3793 |
チユ-ブ,エアスイツチバルブ-エアクリーナ
|
|
92192D |
92192-3794 |
チユ-ブ,12.7X15.9X75
|
|
92192E |
92192-3807 |
チユ-ブ,オイル タンク-オイル パン
|
|
|