
|
見出番号 |
部品番号 |
部品名 |
数量 |
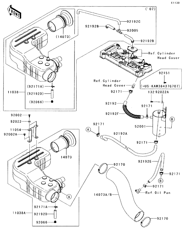
11038A |
11038-3709 |
品番変更→11038-3711
|
|
11054 |
11054-3745 |
ブラケツト,エア ボツクス
|
|
14073 |
14073-3826 |
品番変更→14073-3840
|
|
14073B |
14073-3833 |
ダクト,エアクリーナ -スーパーチヤージヤー
|
|
52001 |
52001-3741 |
タンク(オイル),セパレータ
|
|
92002 |
92002-3755 |
ボルト
|
|
92002A |
92002-3763 |
ボルト
|
|
92022 |
92022-3710 |
ワツシヤ
|
|
92022A |
92022-3710 |
ワツシヤ
|
|
92066 |
92066-3792 |
プラグ
|
|
92170 |
92170-3760 |
クランプ
|
|
92171 |
92171-3710 |
**Web参照**クランプ,チユ-ブ
|
|
92171A |
92171-3721 |
クランプ
|
|
92192 |
92192-3768 |
チユ-ブ,ヘツド-オイル タンク
|
|
92192A |
92192-3769 |
チユ-ブ,オイル タンク-エアクリーナー
|
|
92192D |
92192-3794 |
チユ-ブ,12.7X15.9X75
|
|
92192E |
92192-3807 |
チユ-ブ,オイル タンク-オイル パン
|
|
92192F |
92192-3832 |
チユ-ブ,コルゲート,L=160
|
|
132 |
132BD0614 |
ボルト(コガタツバツキ),6X14
|
|
|