純正パーツカタログよりご注文又はお見積
KAWASAKI JETSKI  2009年式  ULTRA 260X JT1500E9F  > エアクリーナ

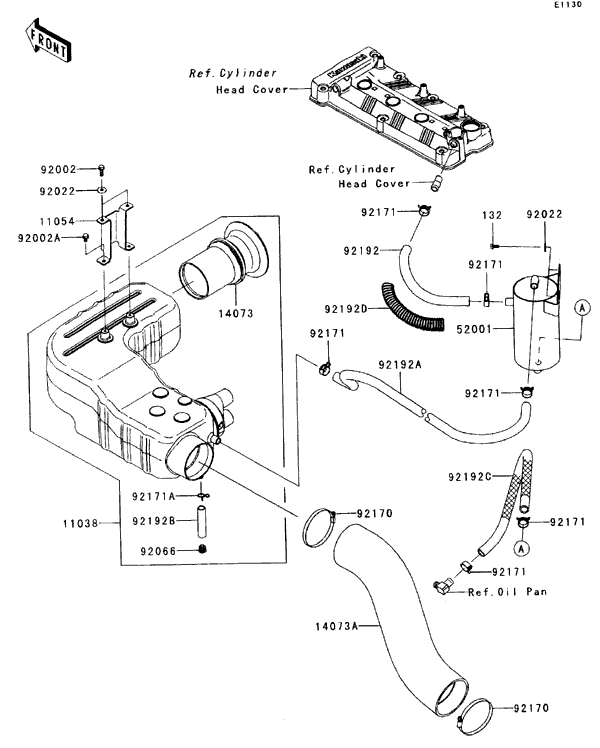
見出番号

部品番号

部品名

数量

11038

11038-3711

ケ-スアツシ(エアフイルタ)

11054

11054-3745

ブラケツト,エア ボツクス

14073

14073-3840

ダクト

14073A

14073-3833

ダクト,エアクリーナ -スーパーチヤージヤー

52001

52001-3741

タンク(オイル),セパレータ

92002

92002-3755

ボルト

92002A

92002-3763

ボルト

92022

92022-3710

ワツシヤ

92066

92066-3792

プラグ

92170

92170-3760

クランプ

92171

92171-3710

**Web参照**クランプ,チユ-ブ

92171A

92171-3721

クランプ

92192

92192-3768

チユ-ブ,ヘツド-オイル タンク

92192A

92192-3769

チユ-ブ,オイル タンク-エアクリーナー

92192B

92192-3794

チユ-ブ,12.7X15.9X75

92192C

92192-3807

チユ-ブ,オイル タンク-オイル パン

92192D

92192-3832

チユ-ブ,コルゲート,L=160

132

132BD0614

ボルト(コガタツバツキ),6X14