純正パーツカタログよりご注文又はお見積
BRP SEA DOO  1999年式  XP-Limited 5868 > フューエルシステム

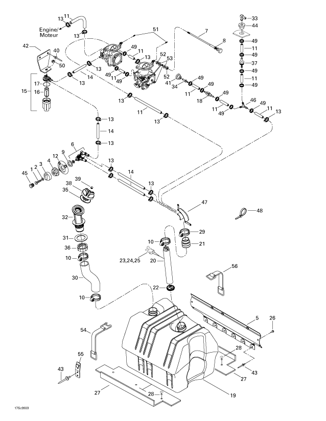
見出番号

部品番号

部品名

数量

1

208640860

SCREW-PAN HD.PH.DIN.7985A-A2

2

234040600

WASHER-FLAT DIN.433A2

3

275500299

KNOB-VALV.FUEL

4

212100009

NUT-HEX.PLASTIC

5

292000444

SHIELD-HEAT

6

275500400

VALVE-FUEL

7

270000341

CABLE-CHOKE

8

211100030

NUT-HEXAGONAL HI-LEX

9

293250004

GASKET

10

293650023

CLAMP-TRIDON

11

275500139

HOSE-6MM.(4.572M/PAC)

12

275500285

PLATE-VAL.FUEL

13

293650038

HOSE CLAMP

14

275500345

HOSE-5/16

15

275500358

FILTER-FUEL ASSY.

16

275500089

FILTER-FUEL

17

275500090

RING-O

18

275500416

VALVE-CHECK

19

275500364

TANK-FUEL

20

275500369

BAFFLE-PICK UP

21

275500111

ADAP-TUBE FUEL

22

275500397

FILTER-FUEL

23

278000218

SEAL-WIRE

24

278000220

FEMALE CONNECTOR 2 CIRCUITS

25

278000223

TERMINAL-FEMAL

26

293830064

STOPPER-RUBBER

27

293830056

PAD-RUBBER

28

293730006

DART-BLACK

29

293650035

CLAMP-TRIDON

30

275500338

HOSE-FIL.NECK

31

293250029

GASKET

32

275500229

NECK-FILLER

33

414580600

CONNECTOR-MALE

34

293710039

FITTING-STRAIG

35

293250017

GASKET

36

211100012

NUT-NECK FILLER FUEL

37

275500398

VALVE-CHECK

38

275500430

CAP-FUEL SUB

39

293000034

CAP-SNAP BLACK

40

293150037

RIVET-AVDEL 3/16

41

293720029

GROMMET

42

275500228

SUPP-FILTER FU

43

293150037

RIVET-AVDEL 3/16

44

570135100

GROMMET

45

275500241

PLUG-CAP FUEL VALVE

46

293710059

FITTING-Y

47

275500395

GUIDE FUEL HOSE

48

294000606

TIE-RAP 180MM

49

293650042

CLAMP-OETIKER

50

232561600

NUT-STOP ELASTIC DIN.985-A2

51

206540660

SCREW-SET SOCKET DIN.916A2

52

232160600

NUT-JAM HEXAGONAL DIN.439B-A2

53

234061600

WASHER-FLAT DIN125A-A2

54

293850037

STRAP-FUEL TANK

55

293850024

CLIP-STRAP

56

293850036

STRAP-FUEL TANK