
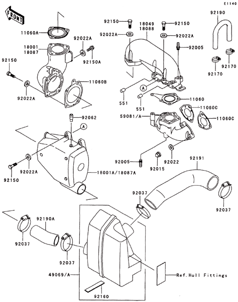
|
見出番号 |
部品番号 |
部品名 |
数量 |
11060 |
11060-3712 |
ガスケツト,エキゾ-スト
|
|
11060A |
11060-3713 |
ガスケツト,マフラ,FR
|
|
11060B |
11060-3714 |
ガスケツト,マフラ チヤンバ
|
|
11060C |
11060-3759 |
ガスケツト
|
|
18001 |
18001-3764 |
**生産打切品**マフラ,FR
|
|
18001A |
18001-3768 |
**生産打切品**マフラ
|
|
18049 |
18049-3762 |
**生産打切品**パイプ(エキゾ-スト)
|
|
49069 |
49069-3706 |
**生産打切品**マフラアツシ,ウオ-タ
|
|
59081 |
59081-3723 |
**生産打切品**マニホ-ルド(エキゾ-スト)
|
|
92005 |
92005-3712 |
フイテイング,ホ-ス
|
|
92015 |
92015-1371 |
ナツト,キヤツプ,8MM
|
|
92022 |
92022-1964 |
ワツシヤ
|
|
92022A |
92022-3743 |
ワツシヤ,8.2X18X1.5
|
|
92037 |
92037-3009 |
CLAMP
|
|
92062 |
92062-3705 |
ノズル
|
|
92150 |
92150-3833 |
ボルト,8X35
|
|
92150A |
92150-3846 |
**生産打切品**ボルト,8X16
|
|
92160 |
92160-3793 |
ダンパ
|
|
92170 |
92170-3729 |
**Web参照**クランプ
|
|
92190 |
92190-3829 |
チューブ,ヘッド - エキゾーストパイプ
|
|
92190A |
92190-3919 |
チユ-ブ,チヤンバ - ウオ-タ マフラ
|
|
92191 |
92191-3721 |
チユ-ブ,ウオ-タ マフラ(ハルクヘツド)
|
|
551 |
551R0812 |
ノツク ピン
|
|
|