純正パーツカタログよりご注文又はお見積
YAMAHA MarineJet  2008年式  MJ-GP1300R GP1300-G/BLUE > ジェットユニット1

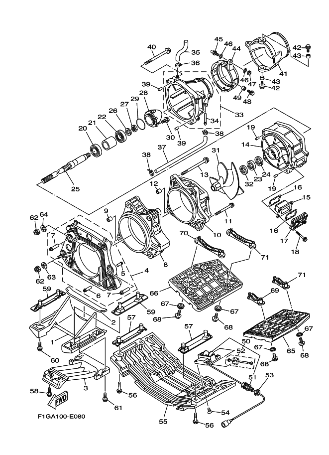
見出番号

部品番号

部品名

数量

1

67X-51311-00-94

DUCT, INTAKE

2

67X-R1367-00

【販売終了】フエルト,パツキング

3

67X-51333-00-94

SCREEN, INTAKE

4

60T-G5831-00

プレ-ト,トランサム

5

65A-R1129-00

NIPPLE

6

66V-51129-01

NIPPLE

7

66V-51129-10

NIPPLE

8

60E-51317-00-94

HOUSING, IMPELLER 2

9

99590-14016

ピン,ダウエル

10

66V-51312-01-94

HOUSING, IMPELLER

11

90119-06859

ボルト,ウイズワツシヤ

12

99590-14016

ピン,ダウエル

13

90119-10803

ボルト,ウイズワツシヤ

14

6B6-51315-01-94

ダクト,インペラ

15

66V-46882-00

FILTER

16

66V-42414-00

O-リング

17

66V-45214-00-94

COVER, WATER INLET

18

90119-06800

BOLT, WITH WASHER

19

93606-12019

ピン,ダウエル

20

93306-205U0

ベアリング

21

65V-45538-00

SPACER 1

22

93306-304U1

ベアリング

23

93101-28M66

オイルシ-ル

24

93101-28002

オイルシ-ル

25

66V-45511-00

SHAFT, DRIVE

26

9299R-16600

WASHER

27

9531P-16700

NUT

28

6B6-51326-10

CAP

29

93210-464A3

O-リング(JN7)

30

90110-06822

ボルト,ヘキサゴンソケツトヘツド

31

60T-R1321-10

インペラ

32

66V-R1348-10

SPACER

33

60T-51318-00-94

ノズル

34

63M-51334-00

NIPPLE,HOSE

35

60T-51673-00

パイプ 1

36

90601-118UF

バンド,ホース18

37

90445-14804

ホース

38

90465-11829

クランプ

39

93606-12019

ピン,ダウエル

40

90119-10837

BOLT, WITH WASHER

41

66V-R1313-01

NOZZLE,DEFLECTOR

42

90119-089UE

BOLT, WITH WASHER

43

90387-08M06

カラ-

44

60T-51190-00-94

リング,トリム

45

GH3-U146E-00

STUD, JOINT BALL

46

90201-068M4

ワツシヤ,プレ-ト

47

9538R-06700

ナツト

48

90119-089UE

BOLT, WITH WASHER

49

90387-08M06

カラ-

50

GJ1-U8K31-03

センサースピード

51

F0V-U7267-10

コネクタケ-ブル

52

GJ1-U835D-00

SERVIS KIT (SPEED SENSOR)

53

EU0-62241-30

NUT, DRAIN 1

54

9878R-05512

SCREW, FLAT HEAD

55

F1G-U273B-00

プレート 2

56

90119-08823

ボルト,ウイズワツシヤ

57

F1G-U8572-00

ブラケツト 2

58

90119-069UK

BOLT, WITH WASHER

59

F1G-U8571-00

ブラケツト 1

60

90119-08823

ボルト,ウイズワツシヤ

61

90119-069UB

BOLT, WITH WASHER

62

9572R-10300

ナツト,ナイロン

63

90201-10801

ワツシヤ,プレ-ト

64

F1S-U725E-00

ワツシヤ

65

F1G-U884S-01

プレートステツプ 2

66

F1G-U884R-01

プレートステツプ 1

67

90387-07803

カラ-

68

90119-069UD

BOLT, WITH WASHER

69

F1G-6880A-00

【販売終了】ベツド, ウオーターロツクコンプリー

70

F0X-6885R-00

【販売終了】PLATE, STEP 1

71

F0X-6885S-00

PLATE, STEP 2