
|
見出番号 |
部品番号 |
部品名 |
数量 |
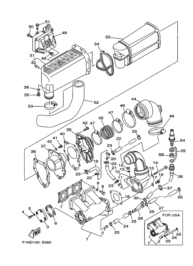
1 |
61X-14711-01-94 |
MUFFLER1
|
|
2 |
6K8-51129-00 |
ニツプル
|
|
3 |
6M6-14718-01-8S |
プロテクタ,マフラ 1
|
|
4 |
97013-06025 |
ボルト
|
|
5 |
92903-06600 |
ワツシヤ,プレ-ト
|
|
6 |
6M6-14739-A1 |
GASKET, MUFFLER DAMPER 1
|
|
7 |
61X-14613-A1 |
ガスケツト,エキゾ-ストパイプ
|
|
8 |
97013-08035 |
ボルト
|
|
9 |
92903-08600 |
ワツシヤ,プレ-ト
|
|
10 |
61L-14712-00-94 |
RING,JOINT
|
|
11 |
6K8-51129-00 |
ニツプル
|
|
12 |
90340-08M04 |
PLUG, STRAIGHT SCREW
|
|
13 |
90430-08020 |
.GASKET
|
|
14 |
97013-08090 |
ボルト
|
|
15 |
92903-08600 |
ワツシヤ,プレ-ト
|
|
16 |
97013-08025 |
ボルト
|
|
17 |
92903-08600 |
ワツシヤ,プレ-ト
|
|
18 |
6R7-14749-A1 |
ガスケツト,マフラダンパ 2
|
|
19 |
90445-14M29 |
【販売終了】ホ-ス (L125)
|
|
20 |
6E5-24378-00 |
パイプ,ジヨイント 3
|
|
21 |
90445-14M29 |
【販売終了】ホ-ス (L125)
|
|
22 |
90445-14M33 |
ホ-ス (L1150)
|
|
23 |
90465-11M10 |
クランプ
|
|
24 |
90445-14M14 |
ホ-ス (L330) FOR_EUR,GENE,JPN
|
|
25 |
90450-14M05 |
ホ-スクランプアセンブリ FOR_EUR,GENE,JPN
|
|
26 |
63M-12580-00 |
ジヨイントアセンブリ FOR_EUR,GENE,JPN
|
|
27 |
90445-14M05 |
ホ-ス (L240) FOR_EUR,GENE,JPN
|
|
28 |
64X-12581-00 |
ジヨイント,ホ-ス 1 FOR_EUR,GENE,JPN
|
|
29 |
682-84385-01 |
キヤツプ 1 FOR_EUR,GENE,JPN
|
|
30 |
90450-18M09 |
ホ-スクランプアセンブリ FOR_EUR,GENE,JPN
|
|
31 |
6R7-14721-00-8S |
マフラ- 2
|
|
32 |
6R7-14485-00 |
パイプ,ジヨイント
|
|
33 |
6R7-14753-00-9M |
SILENCER, EXHAUST
|
|
34 |
6R7-15761-00 |
シ-ル,ラバ- 1
|
|
35 |
97013-06020 |
ボルト
|
|
36 |
92903-06600 |
ワツシヤ,プレ-ト
|
|
37 |
6R7-14785-00-8S |
デイフユ-ザ
|
|
38 |
6R7-14755-A0 |
ガスケツト,サイレンサ
|
|
39 |
6R7-41113-00-8S |
アウタカバ-,エキゾ-スト
|
|
40 |
6R7-41114-A0 |
ガスケツト,エキゾ-ストアウタカバ-
|
|
41 |
97095-06016 |
ボルト
|
|
42 |
92995-06600 |
ワツシヤ
|
|
43 |
90119-06MA1 |
ボルト,ウイズワツシヤ
|
|
44 |
61L-14615-A0 |
JOINT, EXHAUST 1
|
|
45 |
61L-14625-A0 |
ジヨイント,エキゾ-スト 2
|
|
46 |
90460-90M11 |
クランプ,ホ-ス
|
|
47 |
90460-70M16 |
クランプ,ホ-ス
|
|
48 |
6M6-14771-00-94 |
ステ-,マフラ- 1
|
|
49 |
90105-10M49 |
ボルト,フランジ
|
|
50 |
90105-10M88 |
ボルト,フランジ
|
|
51 |
90119-10M17 |
ボルト,ウイズワツシヤ
|
|
52 |
64V-14752-00 |
パイプ,アウトレツト
|
|
53 |
90460-64M15 |
クランプ,ホ-ス
|
|
54 |
67X-E2590-10 |
コンダクシヨンアセンブリ FOR_EUR,GENE,JPN
|
|
55 |
90450-14M05 |
ホ-スクランプアセンブリ
|
|
56 |
EU0-61652-00 |
ロ-プホ-ルナツト FOR_EUR,GENE,JPN
|
|
57 |
90601-20024 |
バンド FOR_EUR,GENE,JPN
|
|
|