純正パーツカタログよりご注文又はお見積
BRP SEA DOO  1998年式  GTI  5836/5841 > エンジンサポート/マフラー

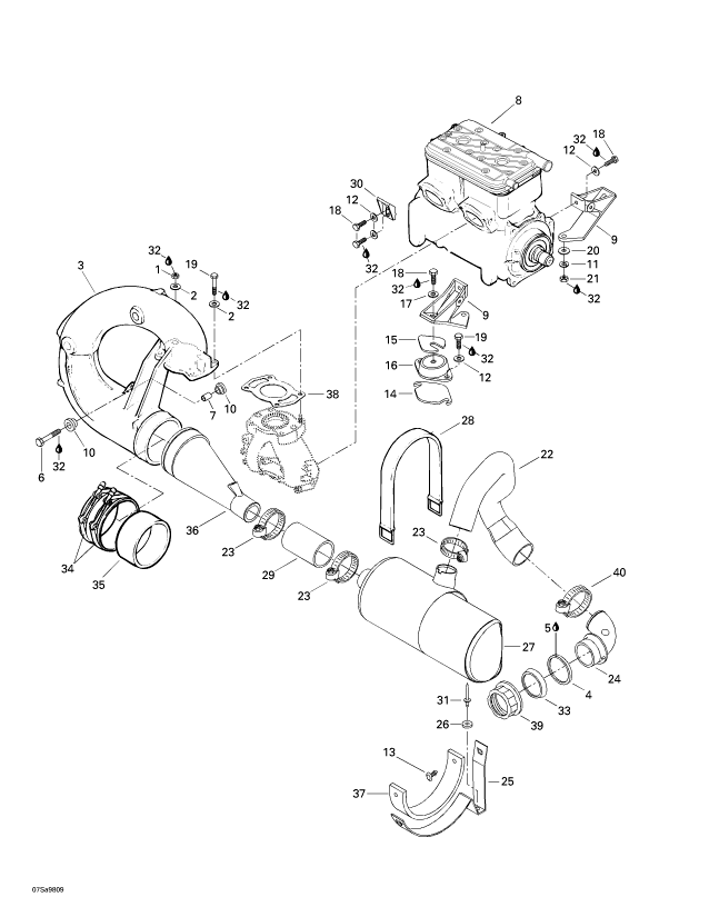
見出番号

部品番号

部品名

数量

1

212100001

NUT-HEXAGONAL DIN.934A2

2

293050001

WASHER-8MM

3

274000487

PIPE-HEAD

4

293250041

GASKET

5

293800033

SEAL-SILICONE

6

215684060

SCREW-HEX.CAP DIN.931A2

7

274000114

BUSHING

8

270000350

ENGINE-717

9

270000180

SUPP-ENGINE RH

9

270000181

SUPP-ENGINE LH
LH

10

293830031

BUSHING-RUBBER

11

213000003

WASHER-LOCK HELICAL DIN.127B-A

12

213200002

WASHER-FLAT DIN.125A-A2(M8)

13

293730011

DART-BLACK

14

270000006

SHIM-0.40MM

14

270000007

SHIM- 1-3MM
Shim

15

270000024

SHIM- 0-4MM

15

270000025

SHIM- 1-3MM
Shim

16

270000217

MOUNT-RUBBER

17

213200011

WASHER-FLAT DIN.9021B-A2

18

210000002

SCREW-HEX.CAP DIN.933A2

19

210000007

SCREW-HEX.CAP DIN.933A2

20

213200003

WASHER-FLAT DIN.125A-A2

21

212100007

NUT-HEXAGONAL DIN.934A2

22

274000591

HOSE-EXHAUST

23

293650023

CLAMP-TRIDON

24

274000542

OUTLET-EXHAUST

25

274000400

SUPPORT-MUFFLE

26

213200015

WASHER-FLAT DIN.9021B-A2

27

274000533

MUFFLER-SILVER

28

293850021

STRAP-RUBBER

29

274000590

HOSE-EXHAUST

30

270000179

SUPP-ENG.FRONT

31

293150037

RIVET-AVDEL 3/16

32

293800015

LOCTITE-242

33

274000225

WASHER-STABILIZING

34

293650068

CLAMP-NORMA

35

274000074

RING-SEALING

36

274000488

CONE-EXHAUST

37

293830055

PAD-RUBBER

38

290950251

GASKET

39

274000224

NUT-72MM

40

293650064

CLAMP-TRIDON