純正パーツカタログよりご注文又はお見積
BRP SEA DOO  1998年式  XP LTD 5665/5667 > シリンダ/エキゾーストマニフォールド

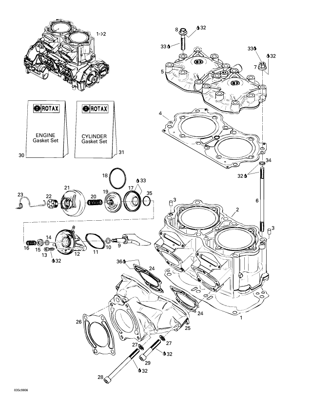
見出番号

部品番号

部品名

数量

1

290094702

SHORT BLOCK 947

1

290931687

CYLINDER GASKET 0.8MM

1

290931686

CYLINDER GASKET 0.6MM
Gasket

1

290931685

GASKET-CYL.
Gasket

2

290923569

CYLINDER-ASSY.

3

290632010

PIN-CENTER

4

290931702

GASKET-CYL.HE.

5

290923584

CYLINDER-HEAD ASSY

6

290640237

STUD-M10X201

7

290842863

NUT-STUD M10

8

290841708

SCREW-HEX.FLAN

9

290854410

VALVE-EXHAUST

10

290931765

RING-O

11

290931670

GASKET-RUBBER

12

290854435

HOUSING-RAVE

13

210100012

SCREW-SOCKET HD.DIN.912A2

14

290931765

RING-O

15

290926220

RING-SUPPORT

16

290838260

SPRING-COMPRES

17

290260723

BELLOWS

18

290239048

SPRING-HOSE

19

290854445

VALVE-EXHAUST

20

290939137

SPRING-RAVE

21

290911555

COVER-VALVE

22

420241220

SCREW-ADJUSTER

23

420838082

CLIP-SPRING

24

293250081

GASKET

25

290979604

MANIFOLD-EXH.

26

293250080

GASKET

27

213000003

WASHER-LOCK HELICAL DIN.127B-A

28

290941483

SCREW-SOCKET

29

215906060

SCREW-SOCKET HD.DIN.912A2

30

290888131

SET-GASKET

31

290888136

SET-GASKET CYL

32

293800015

LOCTITE-242

33

413707000

DOW CORNING 111

34

290850460

RING-O

35

420838253

CLAMP-SPRING

36

293800038

LOCTITE-518