純正パーツカタログよりご注文又はお見積
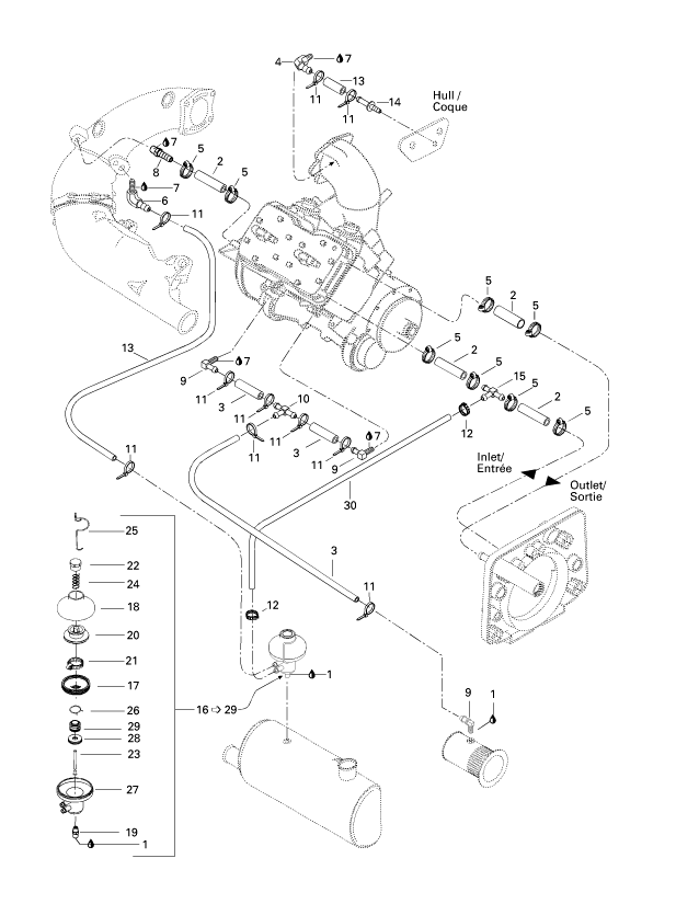
BRP SEA DOO  1997年式  GTX 5642 > クーリングシステム

見出番号

部品番号

部品名

数量

1

293800018

SEALANT-PIPE

2

276000001

HOSE-12 5MM (PC=1M)

3

275000007

HOSE-8MM.(10M/PAC)

4

293710018

FITTING-ELBOW

5

293650037

HOSE-CLAMP

6

293710048

FITTING-ELBOW

7

293800013

SEALANT-PIPE

8

293710021

CONNECTOR-MALE

9

293700016

FITTING-ELBOW

10

293710061

FITTING-T

11

293750001

TIE-RAP 94MM

12

293650042

CLAMP-OETIKER

13

276000048

HOSE-6MM

14

291000306

FITTING-BLEED

15

293710052

FITTING-T

16

274000316

REG-PRESSION

17

420260721

BELLOWS

18

420911550

COVER-VALVE

19

293700010

CONNECTOR-MALE

20

420253255

VALVE-EXHAUST

21

293650065

CLAMP

22

290241220

SCREW-ADJUSTER

23

274000423

ROD-FEEDING

24

274000612

SPRING

25

420838082

CLIP-SPRING

26

420838190

CLAMP

30

275500139

HOSE-6MM.(4.572M/PAC)