純正パーツカタログよりご注文又はお見積
BRP SEA DOO  1997年式  GTX 5642 > オイルインジェンクションシステム

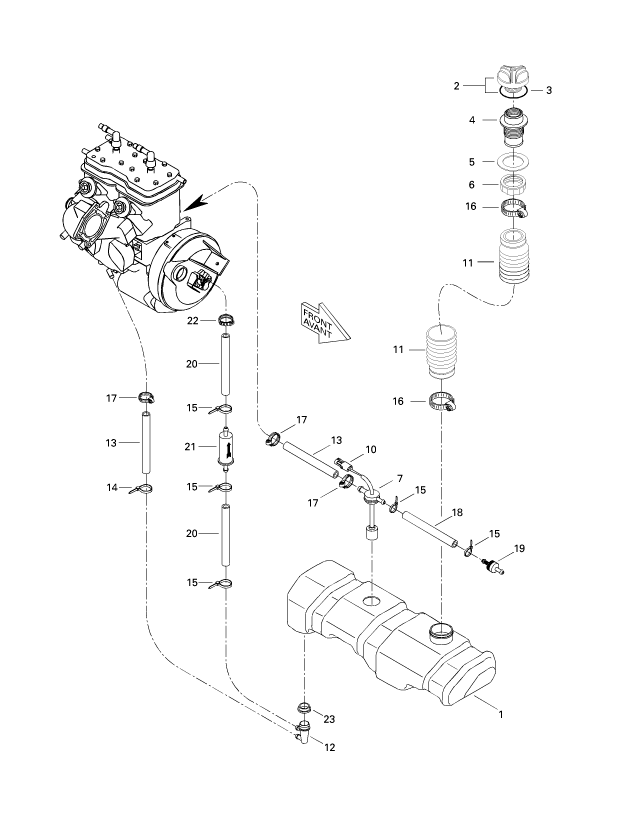
見出番号

部品番号

部品名

数量

1

275000172

TANK-OIL ASSY.

2

275000199

CAP-OIL ASSY.

3

293250025

RING-O

4

275000212

NECK-FILLER

5

293250016

GASKET

6

211100013

NUT-NECK FILLER OIL

7

278000478

SENSOR-OIL

8

278000218

SEAL-WIRE

9

278000222

TERMINAL-MALE

10

278000217

CONNECTOR_DELPHI MALE 2 CAVITIES

11

275000185

HOSE-FIL.NECK

12

293710051

FITTING-ELBOW

13

275000008

HOSE-12MM

14

294000606

TIE-RAP 180MM

15

293750001

TIE-RAP 94MM

16

293650035

CLAMP-TRIDON

17

293650038

HOSE CLAMP

18

275500018

HOSE-6MM.(30M/PAC)

19

275500087

VALVE-CHECK

20

275000007

HOSE-8MM.(10M/PAC)

21

275000051

FILTER-OIL

22

293650042

CLAMP-OETIKER

23

293720008

GROMMET

24

204470104

GROMMET-OIL

25

275500015

CHAIN-CAP OIL

26

293150006

RIVET-POP 1/8

27

213200018

WASHER-FLAT DIN.9021B-A2