
|
見出番号 |
部品番号 |
部品名 |
数量 |
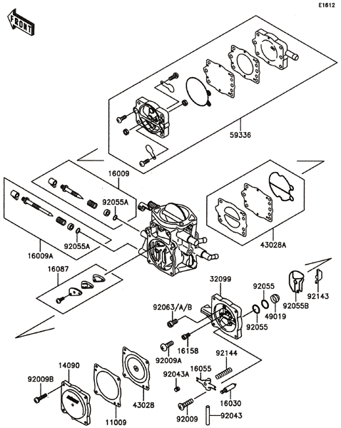
11009 |
11009-3730 |
ガスケツト
|
|
14090 |
14090-3702 |
**生産打切品**カバ-,ダイヤフラム
|
|
16009 |
16009-3713 |
**生産打切品**ニ-ドル(ジエツト),メイン
|
|
16009A |
16009-3715 |
**生産打切品**ニ-ドル(ジエツト),スロ-
|
|
16030 |
16030-3701 |
バルブ(フロ-ト)
|
|
16055 |
16055-3701 |
**生産打切品**ア-ム(フロ-ト)
|
|
16087 |
16087-3705 |
※※販売終了※※バルブ(チエツク)
|
|
16158 |
16158-3712 |
**生産打切品**ジエツト(スロ-),#78
|
|
32099 |
32099-3823 |
**生産打切品**ケ-ス
|
|
43028 |
43028-3704 |
ダイアフラム
|
|
43028A |
43028-3706 |
ダイアフラム,ポンプ
|
|
49019 |
49019-3707 |
フイルタ(フユ-エル),ストレ-ナ
|
|
59336 |
59336-3710 |
ケ-ス(ポンプ)
|
|
92009 |
92009-3712 |
スクリユ-
|
|
92009A |
92009-3804 |
スクリユ-
|
|
92009B |
92009-3808 |
**生産打切品**スクリユ-,4X18
|
|
92043 |
92043-1209 |
ピン
|
|
92043A |
92043-3712 |
**生産打切品**ピン
|
|
92055 |
92055-1246 |
リング(0)
|
|
92055A |
92055-3713 |
リング(0)
|
|
92055B |
92055-3735 |
リング(0)
|
|
92063 |
92063-3712 |
**生産打切品**ジエツト(メイン)
|
|
92063A |
92063-3713 |
**生産打切品**ジエツト(メイン),#105
|
|
92063B |
92063-3714 |
**生産打切品**ジエツト(メイン),#110
|
|
92143 |
92143-3727 |
**生産打切品**カラ-
|
|
92144 |
92144-3744 |
スプリング,フロ-ト ア-ム
|
|
|