
|
見出番号 |
部品番号 |
部品名 |
数量 |
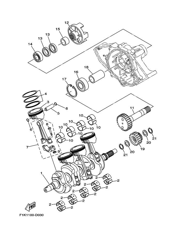
1 |
60E-11411-11 |
クランクシヤフト
|
|
2 |
6D3-11416-00UR/BROWN |
|
|
2 |
6D3-11416-10UR/BLACK |
|
|
2 |
6D3-11416-20UR/BLUE |
|
|
2 |
6D3-11416-30UR/GREEN |
|
|
2 |
6D3-11416-A0UR/RED |
|
|
3 |
6D3-11631-00-B0 |
ピストン (STD)
|
|
4 |
6D3-11603-00 |
ピストンリングセツト (STD)
|
|
5 |
4XV-11633-00 |
PIN, PISTON
|
|
6 |
90468-12069 |
CLIP
|
|
7 |
6D3-11650-00 |
コネクテイングロツドアセンブリ
|
|
8 |
5JW-11654-00 |
ボルト,コネクテイングロツド
|
|
9 |
90179-08327 |
ナツト
|
|
10 |
60E-11656-00UR/BROWN |
|
|
10 |
60E-11656-10UR/BLACK |
|
|
10 |
60E-11656-20UR/BLUE |
|
|
10 |
60E-11656-30UR/GREEN |
|
|
11 |
6D3-17572-00 |
シヤフト, トランスフア
|
|
12 |
6D3-45813-00-94 |
フランジ,カツプリング
|
|
13 |
93101-35004 |
オイル シ-ル
|
|
14 |
93306-07801 |
ベアリング(55X)
|
|
15 |
6B6-11478-00 |
カラ-
|
|
16 |
93306-30610 |
ベアリング
|
|
17 |
99009-72500 |
サークリツプ
|
|
18 |
6B6-17585-00 |
カラ-,ギヤ
|
|
19 |
6B6-17586-00 |
ギア, トランスフア ドライブ
|
|
20 |
90209-25008 |
WASHER
|
|
21 |
93440-28062 |
CIRCLIP
|
|
|