純正パーツカタログよりご注文又はお見積
BRP SEA DOO  1997年式  GSX 5624 > クーリングシステム

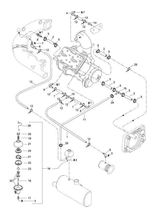
見出番号

部品番号

部品名

数量

1

275000007

HOSE-8MM.(10M/PAC)

2

276000001

HOSE-12 5MM (PC=1M)

3

293800018

SEALANT-PIPE

4

293710018

FITTING-ELBOW

5

293650037

HOSE-CLAMP

6

293710048

FITTING-ELBOW

7

293800013

SEALANT-PIPE

8

293710021

CONNECTOR-MALE

9

293700016

FITTING-ELBOW

10

293710061

FITTING-T

11

275500139

HOSE-6MM.(4.572M/PAC)

12

293750001

TIE-RAP 94MM

13

276000048

HOSE-6MM

14

291000306

FITTING-BLEED

15

293710052

FITTING-T

16

274000316

REG-PRESSION

17

293700010

CONNECTOR-MALE

18

274000423

ROD-FEEDING

19

274000612

SPRING

21

420911550

COVER-VALVE

22

420260721

BELLOWS

23

420838190

CLAMP

24

420253255

VALVE-EXHAUST

25

290241220

SCREW-ADJUSTER

26

420838082

CLIP-SPRING

27

293650065

CLAMP

28

294000606

TIE-RAP 180MM

29

293650042

CLAMP-OETIKER