純正パーツカタログよりご注文又はお見積
BRP SEA DOO  1997年式  GSX 5624 > オイルインジェンクションシステム

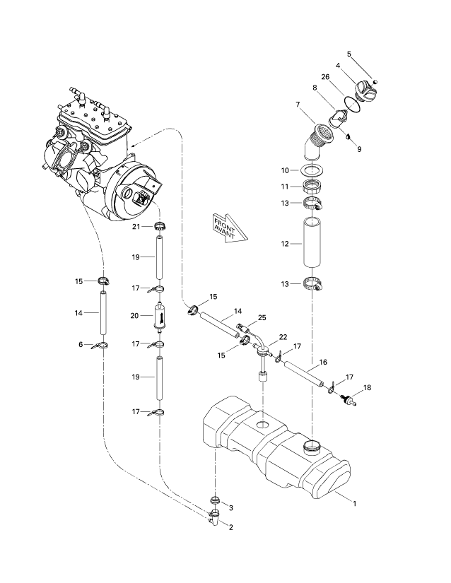
見出番号

部品番号

部品名

数量

1

275000172

TANK-OIL ASSY.

2

293710051

FITTING-ELBOW

3

293720008

GROMMET

4

275000197

CAP-OIL ASSY.

5

293000065

CAP-SNAP

6

294000606

TIE-RAP 180MM

7

275000187

NECK-FILLER

8

275000190

RESTRICTOR

9

293800028

INSTANT GASKET

10

293250029

GASKET

11

211100012

NUT-NECK FILLER FUEL

12

275000188

HOSE-FIL.NECK

13

293650035

CLAMP-TRIDON

14

275000008

HOSE-12MM

15

293650038

HOSE CLAMP

16

275500018

HOSE-6MM.(30M/PAC)

17

293750001

TIE-RAP 94MM

18

275500087

VALVE-CHECK

19

275000007

HOSE-8MM.(10M/PAC)

20

275000051

FILTER-OIL

21

293650042

CLAMP-OETIKER

22

278000478

SENSOR-OIL

23

278000218

SEAL-WIRE

24

278000222

TERMINAL-MALE

25

278000217

CONNECTOR_DELPHI MALE 2 CAVITIES

26

293250075

GASKET

37

204470104

GROMMET-OIL