純正パーツカタログよりご注文又はお見積
BRP SEA DOO  1996年式  GTX 5640 > キャブレターMAG

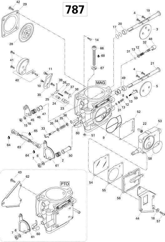
見出番号

部品番号

部品名

数量

1

270500284

CARBURATOR-MAG

2

270500097

SPRING

6

270500011

WASHER-SPRING

7

270500012

NUT

8

270500222

RING-SEALING

9

270500104

RING-O

10

270500175

JET-PILOT 70

11

270500209

JET-MAIN 142.5

12

270500091

SPRING

13

270500136

WASHER

14

270500228

SCREW

15

270500229

NUT

16

270500230

WASHER-SPRING

17

270500234

RING-SEALING

18

270500139

WASHER

20

270500239

RING

22

270500115

FILTER-FUEL

23

270500127

RING-O

24

270500241

VALVE-NEEDLE

25

270500129

CLIP

26

270500128

LEVER-VALVE

27

270500267

SPRING

28

270500132

DIAPHRAGM-ASSY

29

270500133

COVER

30

270500131

GASKET

31

270500144

RING-O

32

270500113

SCREW-ADJUSTER

33

270500020

SCREW-IDLE

34

270500019

SPRING

35

270500018

WASHER

36

270500119

RING-O

37

270500155

SCREW-SPR.WASH

38

270500125

PLATE

39

270500038

PIN

40

270500124

VALVE-ASSY.

41

270500123

SCREW

42

270500243

SCREW

44

270500270

BRACKET

45

270500271

LEVER-CHOKE AS

46

270500248

SPRING

47

270500110

RING

48

270500154

CAP-WHITE

49

270500221

RING

50

270500192

RING

51

270500249

NUT

52

270500103

GASKET

53

270500269

BODY-PUMP ASSY

54

270500106

DIAPHRAGM

55

270500146

GASKET

56

270500108

COVER-PUMP

57

270500224

SCREW

58

270500102

RING-O

59

270500288

SCREW-ADJUSTER

60

270500142

LEVER-THROTTLE

61

270500266

LEVER-THROT.AS

63

270500256

ROD-LINK CARB.

64

293550010

GREASE-SYNTH

65

293800015

LOCTITE-242

66

215987560

SCREW-SOCKET HD.DIN.912A2

67

290845382

WASHER-LOCK

68

293800015

LOCTITE-242