純正パーツカタログよりご注文又はお見積
BRP SEA DOO  2000年式  LRV 5688 > オイルインジェンクションシステム

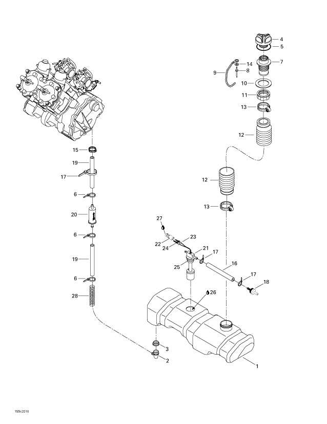
見出番号

部品番号

部品名

数量

1

275000172

TANK-OIL ASSY.

2

293710070

FITTING-ELBOW

3

293720008

GROMMET

4

275000186

CAP-OIL ASSY.

5

293250025

RING-O

6

293750001

TIE-RAP 94MM

7

275000212

NECK-FILLER

8

390407900

RIVET-POP 1/8

9

275500015

CHAIN-CAP OIL

10

293250016

GASKET

11

211100013

NUT-NECK FILLER OIL

12

275000185

HOSE-FIL.NECK

13

293650035

CLAMP-TRIDON

14

234032600

WASHER-FLAT DIN.9021B-A2

15

293650042

CLAMP-OETIKER

16

275500139

HOSE-6MM.(4.572M/PAC)

17

293750002

TIE-RAP 130MM

18

275500398

VALVE-CHECK

19

275000007

HOSE-8MM.(10M/PAC)

20

275000051

FILTER-OIL

21

278001402

SENSOR-OIL

22

278000217

CONNECTOR_DELPHI MALE 2 CAVITIES

23

278000218

SEAL-WIRE

24

278000222

TERMINAL-MALE

25

293720008

GROMMET

26

413802900

OIL 2T 12X1 MINERAL

26

413803000

OIL 2T 3X1 G MINERALE
Injection

26

413803200

HUILE INJ.-INJ205L45G (BARIL)(
Injection

26

413710500

OIL 2T 12X1 SYNTH
Synthetic

26

413711000

OIL-XPS SYNTH. 3X4L
Synthetic

26

413710700

OIL-INJ2STROKE
Synthetic

27

293550004

GREASE-DIELECT DC4

28

204050064