純正パーツカタログよりご注文又はお見積
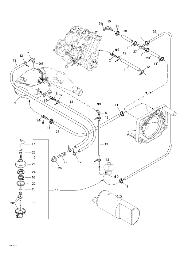
BRP SEA DOO  2000年式  RX 5513 5514 > クーリングシステム

見出番号

部品番号

部品名

数量

1

275000007

HOSE-8MM.(10M/PAC)

2

293710066

CONNECTOR-MALE

3

293650027

HOSE CLAMP

4

274000877

HEAD PIPE ASS Y

5

293710018

FITTING-ELBOW

6

293710021

CONNECTOR-MALE

7

293710048

FITTING-ELBOW

8

293710037

CONNECTOR-MALE

9

293800013

SEALANT-PIPE

10

293700023

FITTING-ELBOW

11

293650037

HOSE-CLAMP

12

293750001

TIE-RAP 94MM

13

276000048

HOSE-6MM

14

293710059

FITTING-Y

15

274000865

REG-PRESSION

16

293650065

CLAMP

17

290838083

CLIP-SPRING

18

274000423

ROD-FEEDING

19

274000382

SPRING-44MM

21

420911551

COVER-VALVE

22

420260721

BELLOWS

23

420838190

CLAMP

25

420241220

SCREW-ADJUSTER

26

293720029

GROMMET

27

293710025

FITTING-T

28

276000001

HOSE-12 5MM (PC=1M)

29

275500345

HOSE-5/16