純正パーツカタログよりご注文又はお見積
BRP SEA DOO  2002年式  XP 5577/5578 > オイルインジェンクションシステム

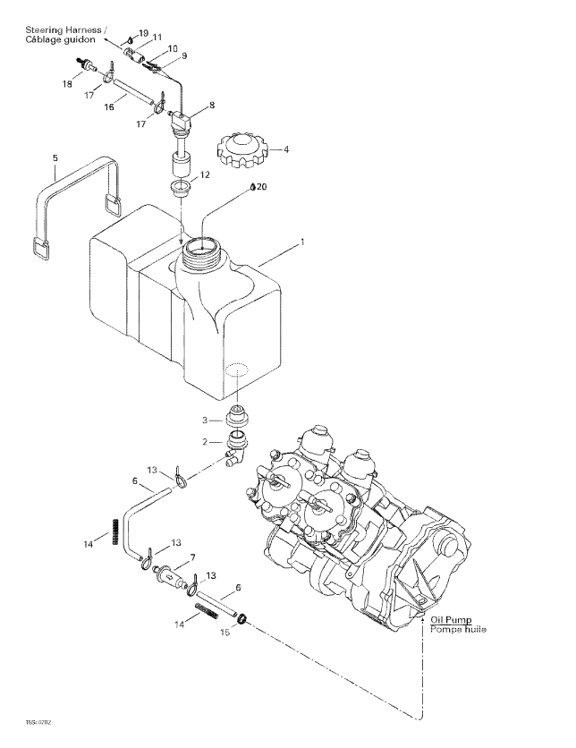
見出番号

部品番号

部品名

数量

1

275000210

TANK-OIL

2

293710070

FITTING-ELBOW

3

293720008

GROMMET

4

572039600

CAP

5

293850077

STRAP-RUBBER

6

275000007

HOSE-8MM.(10M/PAC)

7

275000051

FILTER-OIL

8

278001402

SENSOR-OIL

9

278000218

SEAL-WIRE

10

278000222

TERMINAL-MALE

11

278000217

CONNECTOR_DELPHI MALE 2 CAVITIES

12

293720008

GROMMET

13

293750001

TIE-RAP 94MM

14

270000377

SPRING

15

293650042

CLAMP-OETIKER

16

275500549

HOSE-1/4 (10M/PAC)

17

293750002

TIE-RAP 130MM

18

275500398

VALVE-CHECK

19

293550004

GREASE-DIELECT DC4

20

413802900

OIL 2T 12X1 MINERAL

20

413803000

OIL 2T 3X1 G MINERALE
Injection

20

413803200

HUILE INJ.-INJ205L45G (BARIL)(
Injection

20

413710500

OIL 2T 12X1 SYNTH
Synthetic

20

413711000

OIL-XPS SYNTH. 3X4L
Synthetic

20

413710700

OIL-INJ2STROKE
Synthetic