
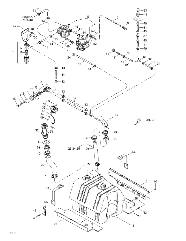
|
見出番号 |
部品番号 |
部品名 |
数量 |
1 |
208640860 |
SCREW-PAN HD.PH.DIN.7985A-A2
|
|
2 |
234040600 |
WASHER-FLAT DIN.433A2
|
|
3 |
275500299 |
KNOB-VALV.FUEL
|
|
4 |
212100009 |
NUT-HEX.PLASTIC
|
|
5 |
292000444 |
SHIELD-HEAT
|
|
6 |
275500554 |
VALVE-FUEL
|
|
7 |
270000341 |
CABLE-CHOKE
|
|
8 |
211100030 |
NUT-HEXAGONAL HI-LEX
|
|
9 |
293250004 |
GASKET
|
|
10 |
293650023 |
CLAMP-TRIDON
|
|
11 |
275500549 |
HOSE-1/4 (10M/PAC)
|
|
12 |
275500285 |
PLATE-VAL.FUEL
|
|
13 |
293650129 |
HOSE CLAMP
|
|
14 |
275500548 |
HOSE-5/16 5M/PAC
|
|
15 |
275500358 |
FILTER-FUEL ASSY.
|
|
16 |
275500089 |
FILTER-FUEL
|
|
17 |
275500090 |
RING-O
|
|
18 |
275500505 |
VALVE-CHECK
|
|
19 |
275500364 |
TANK-FUEL
|
|
20 |
275500468 |
BAFFLE-PICK UP
|
|
21 |
275500111 |
ADAP-TUBE FUEL
|
|
22 |
275500397 |
FILTER-FUEL
|
|
23 |
278000218 |
SEAL-WIRE
|
|
24 |
278000220 |
FEMALE CONNECTOR 2 CIRCUITS
|
|
25 |
278000223 |
TERMINAL-FEMAL
|
|
26 |
293830064 |
STOPPER-RUBBER
|
|
27 |
293830087 |
PAD-RUBBER
|
|
28 |
293730006 |
DART-BLACK
|
|
29 |
293650035 |
CLAMP-TRIDON
|
|
30 |
275500338 |
HOSE-FIL.NECK
|
|
31 |
293250029 |
GASKET
|
|
32 |
275500229 |
NECK-FILLER
|
|
33 |
414580600 |
CONNECTOR-MALE
|
|
34 |
293650128 |
HOSE CLAMP
|
|
35 |
293250017 |
GASKET
|
|
36 |
211100012 |
NUT-NECK FILLER FUEL
|
|
37 |
275500398 |
VALVE-CHECK
|
|
38 |
275500430 |
CAP-FUEL SUB
|
|
39 |
293000034 |
CAP-SNAP BLACK
|
|
40 |
293150043 |
RIVET-POP 3/16
|
|
41 |
293720029 |
GROMMET
|
|
42 |
275500287 |
SUPPORT-FILTER
|
|
43 |
293150037 |
RIVET-AVDEL 3/16
|
|
44 |
570135100 |
GROMMET
|
|
45 |
275500241 |
PLUG-CAP FUEL VALVE
|
|
46 |
293710059 |
FITTING-Y
|
|
47 |
275500395 |
GUIDE FUEL HOSE
|
|
48 |
414115200 |
TIE-RAP 180MM
|
|
49 |
293650050 |
CLAMP-CLIC
|
|
50 |
232561600 |
NUT-STOP ELASTIC DIN.985-A2
|
|
51 |
206540660 |
SCREW-SET SOCKET DIN.916A2
|
|
52 |
232160600 |
NUT-JAM HEXAGONAL DIN.439B-A2
|
|
53 |
234061600 |
WASHER-FLAT DIN125A-A2
|
|
54 |
293850037 |
STRAP-FUEL TANK
|
|
55 |
293850024 |
CLIP-STRAP
|
|
56 |
293850036 |
STRAP-FUEL TANK
|
|
57 |
293750008 |
TIE-RAP 350MM
|
|
58 |
275500507 |
CHAIN-CAP FUEL
|
|
59 |
241140060 |
SCREW-PT.HEX.FLANGE K40 X 10
|
|
60 |
234032600 |
WASHER-FLAT DIN.9021B-A2
|
|
61 |
390407900 |
RIVET-POP 1/8
|
|