純正パーツカタログよりご注文又はお見積
BRP SEA DOO  2002年式  GTX RFI 5565 > シリンダーエキゾーストマニフォールド

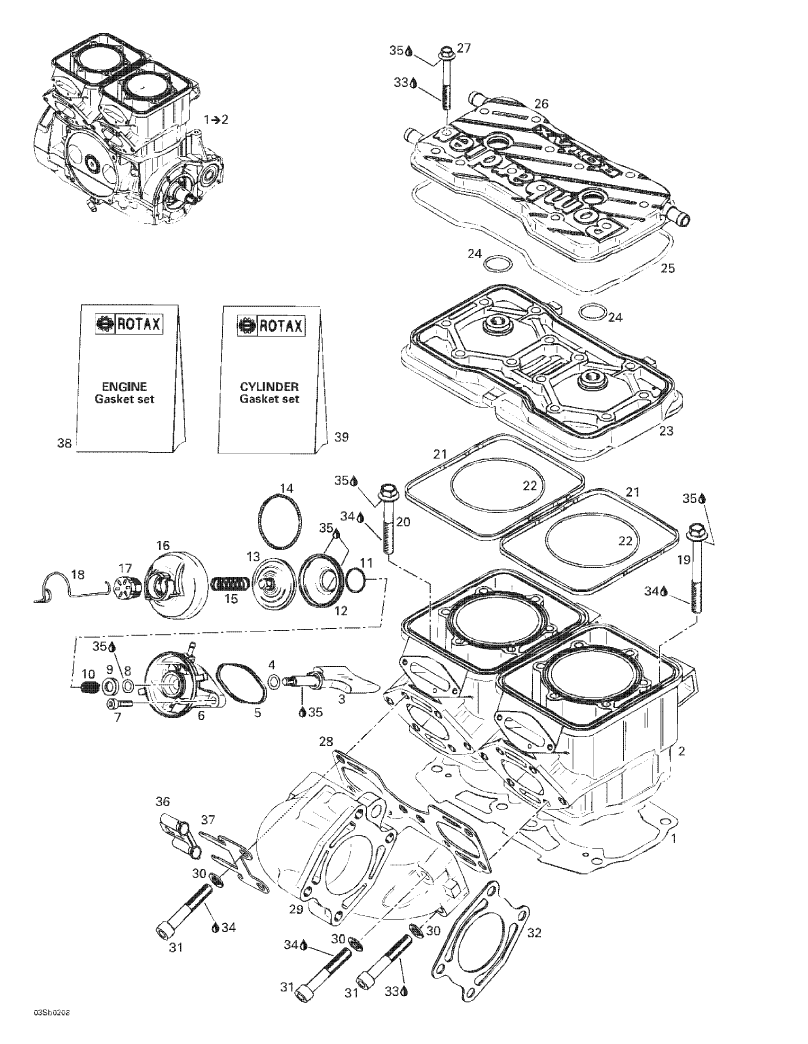
見出番号

部品番号

部品名

数量

1

290078703

BLOCK-SHORT787

1

290931728

GASKET-CYL.
Gasket

1

290931726

GASKET-CYL.
Gasket

1

290931725

GASKET-CYL.
Gasket

2

290923846

CYLINDER-ASSY.

3

290854354

VALVE-EXHAUST

4

290931765

RING-O

5

290931670

GASKET-RUBBER

6

290854438

HOUSING-VALVE

7

205062560

SCREW-SOCKET HD.DIN.912A2

8

290931765

RING-O

9

290926225

RING-SUPPORTING

10

290838260

SPRING-COMPRES

11

420838253

CLAMP-SPRING

12

290260723

BELLOWS

13

290854446

VALVE-EXHAUST

14

290239048

SPRING-HOSE

15

290939137

SPRING-RAVE

16

290911558

COVER-VALVE

17

420241221

SCREW-ADJUSTER

18

290838083

CLIP-SPRING

19

290941903

SCREW-HEX.FLAN

20

290941333

SCREW-HEX.FLAN

21

290931420

RING-RUBBER

22

290931410

RING-O

23

290923308

HEAD-CYLINDER

24

420430782

RING-O

25

290831550

RING-O

26

290923313

COVER-CYL.HEAD

27

290240728

SCREW-HEX.FLAN

28

290931481

GASKET

29

290979484

MANIFOLD-EXH.

30

234101601

WASHER-LOCK HELICAL

31

205006060

SCREW-SOCKET HD.DIN.912A2

32

290931503

GASKET

33

293800060

LOCTITE-243

34

293800038

LOCTITE-518

35

413707000

DOW CORNING 111

36

278000213

INSULATOR

37

278001273

PLATE-GROUND

38

290886392

SET-GASKET

39

290886396

SET-GASKET CYL